EasyManua.ls Logo

Husky 32220 - Finalizing Roller Assembly; Base Rail Pin Orientation; Cross Member and Shimming; Locking Mechanism Activation

Husky 32220
41 pages
Print Icon
To Next Page IconTo Next Page
To Next Page IconTo Next Page
To Previous Page IconTo Previous Page
To Previous Page IconTo Previous Page
Loading...
Page-8
All Products limited to Vehicle Tow Rating, see Vehicle Owners Manual. Visit www.huskytow.com for Warranty Information /
Tech Support / Product Updates. 2020 Keystone Automotive Operations Inc. All Rights Reserved. 08/27/2020-Rev8
8. Install the base rail pins and hair pins. The base rail pin MUST point AWAY from ALL the anti-
lift screws on both roller assemblies or the hitch will not slide properly. See Figure 8
Base Rail Pin
Anti-lift Screw
Hair Pin
Rear of Truck
Figure 8
VIEW FROM UNDER THE HOUSING ASSEMBLY
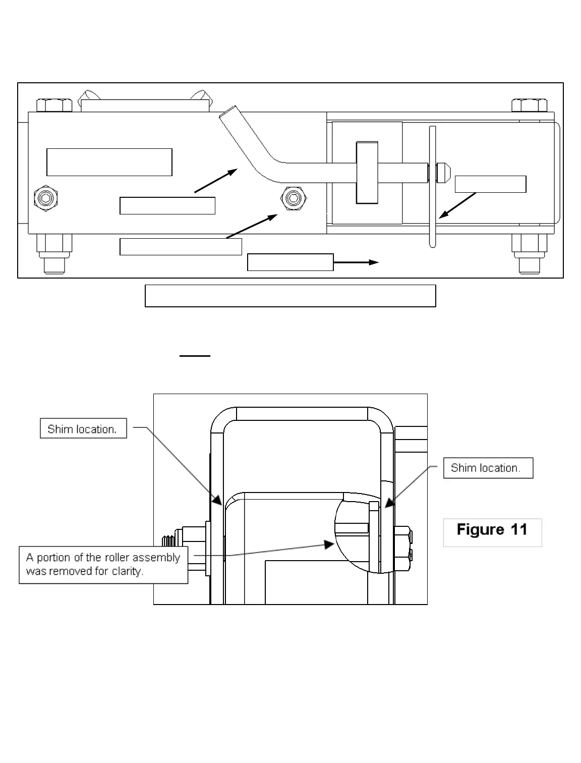
9. Install cross member and ensure it is centered and straight by shimming (if necessary) and then
torque bolts to 75 ft. lbs. Note: The roller housing assemblies need to be parallel within 1/4”.
Multiple shims or 1/2" washers can be stacked together if gap width is large. See Figure 11
10.Tighten 3/8" nut and bolt to 30 ft.-lbs. The tubes on the Handle and Long Tube should crush
slightly. This will insure a tight fit. The handle and long tube assemblies should and all move and
rotate as one.
11. Pull handle out and rotate so that both latching pins rotate and lock into hole # 3. See Figure 4.
Push the Husky Roller rearward until the latching pins insert completely into hole #4. See Figure
4.

Related product manuals