EasyManua.ls Logo

Husqvarna YTH2148 - SCHEMATICS AND WIRING; Tractor Electrical Schematic; Ignition and PTO Switch Circuits

Husqvarna YTH2148
48 pages
Print Icon
To Next Page IconTo Next Page
To Next Page IconTo Next Page
To Previous Page IconTo Previous Page
To Previous Page IconTo Previous Page
Loading...
31
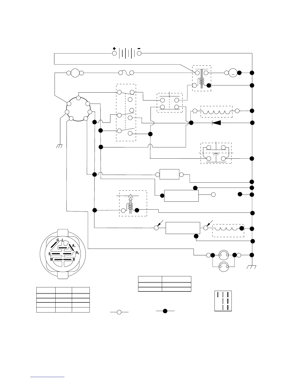
TRACTOR - MODEL NO. YTH2148 (YTH2148A), PRODUCT NO. 954 57 19-60
SCHEMATIC
BATTERY
FUSE
RED
RED
BLACK
BLACK
BLACK
BLACK
BLACK
NON-REMOVABLE
CONNECTIONS
REMOVABLE
CONNECTIONS
BLACK
BLACK
BROWN
RED
ORANGE
BROWN
M
SOLENOID
WIRING INSULATED CLIPS
NOTE: IF WIRING INSULATED
CLIPS WERE REMOVED FOR
SERVICING OF UNIT, THEY
SHOULD BE REPLACED TO
PROPERLY SECURE YOUR
WIRING.
A
AMMETER
RED
IGNITION SWITCH
CIRCUITPOSITION
OFF
B+A1ON + LIGHTS
B+S+A1START
M+G+A1
B+A1ON
“MAKE”
L+A2
NONE
NONE
NONE
(OPTIONAL)
HEADLIGHTS
BLACK
ELECTRIC CLUTCH
CLUTCH / BRAKE
(PEDAL UP)
PTO (DISENGAGED)
CG
F
B
E
A
D
H
RED
BLUE
RED
RED
RED
WHITE
WHITE
WHITE
BLACK
HOUR
METER
(OPTIONAL)
STARTER
PTO SWITCH
CIRCUITPOSITION
OFF
C+F,B+E,A+DON
C+G,B+H
B
A
G
H
D
FC
E
IGNITION
SWITCH
G
B
S
M
A1
A2L
FUEL
LINE
RED
IGNITION
UNIT
SPARK PLUGS
GAP
(2 PLUGS
ON TWIN CYL. ENGINES)
FUEL SHUT-OFF
SOLENOID
REGULATOR
ALTERNATOR
28 VOLTS AC @ 3600 RPM
(REGULATOR DISCONNECTED)
CHARGING SYSTEM OUTPUT
16 AMP DC @ 3600 RPM
SEAT SWITCH
(NOT OCCUPIED)
GROUNDING
CONNECTOR
PTO SWITCH
CONNECTOR

Related product manuals