EasyManua.ls Logo

Husqvarna YTH2148XP - Page 34

Husqvarna YTH2148XP
48 pages
Print Icon
To Next Page IconTo Next Page
To Next Page IconTo Next Page
To Previous Page IconTo Previous Page
To Previous Page IconTo Previous Page
Loading...
34
29
28
30
52
32
37
53
35
55
36
62
35
36
22
34
16
1
77
77
241
32
30
52
57
25
19
24
252
76
78
75
74
27
26
59
19
219
221
221
220
222
221
19
51
51
263
19
19
6
231
239
33
239
238
52
237
233
240
232
241
235
242
221
274
224
225
223
223
223
226
226
234
236
227
218
217
244
96
276
51
251
228
229
21
214
61
15
89
120
27
51
48
150
151
202
49
47
50
120
9
17
65
20
66
63
243
254
56
38
39
95
41
96
253
drive-hydro.stlt_65
272
273
69
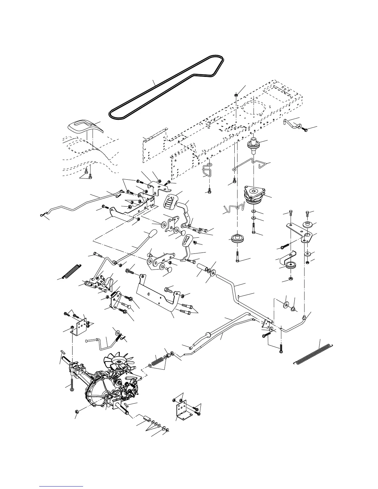
REPAIR PARTS
TRACTOR - MODEL NUMBER YTH2148XP (HAU21H48B), PRODUCT NO. 954 17 02-27
DRIVE

Related product manuals