EasyManua.ls Logo

Husqvarna YTH2248 - Mower Deck

Husqvarna YTH2248
48 pages
Print Icon
To Next Page IconTo Next Page
To Next Page IconTo Next Page
To Previous Page IconTo Previous Page
To Previous Page IconTo Previous Page
Loading...
44
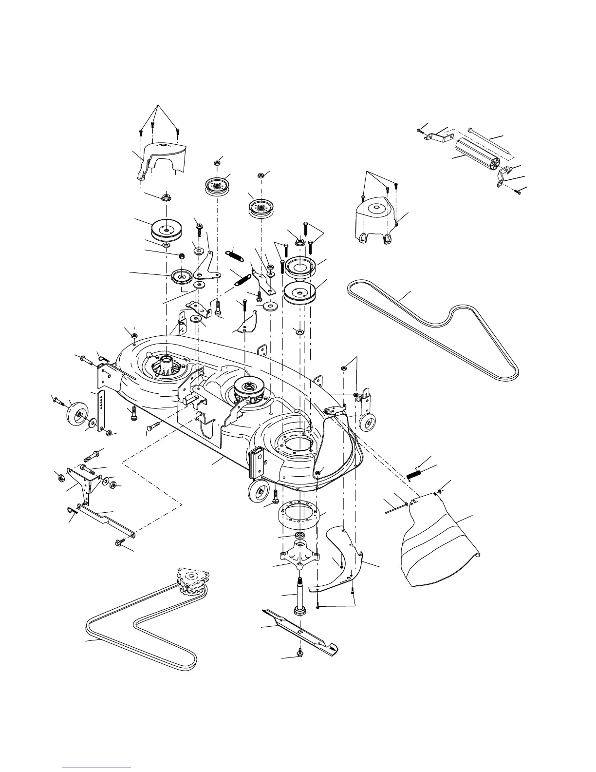
REPAIR PARTS
TRACTOR - MODEL NO. YTH2248 (YTH2248A), PRODUCT NO. 954 57 19-77
MOWER DECK
57
56
118
116
119
5
117
46
45
33
46
45
33
30
30
32
21
20
18
21
31
49
49
131
37
130
43
42
49
49
42
99
21
113
100
97
111
110
50
50
97
98
121
126
30
39
52
1
32
31
24
25
26
27
28
29
18
8
11
13
16
19
5
3
6
14
15
17
47
48
184
55
54
72
92
92
mower_deck.48_standard_1

Related product manuals