EasyManua.ls Logo

Hy-Gain VB-64DX - Page 3

Hy-Gain VB-64DX
11 pages
Print Icon
To Next Page IconTo Next Page
To Next Page IconTo Next Page
To Previous Page IconTo Previous Page
To Previous Page IconTo Previous Page
Loading...
Assembl
y
Instructions
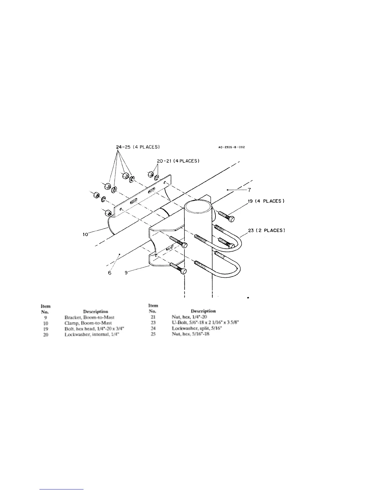
Select the boom-to-mast clamp (Item No. 10),
the boom-to-mast bracket (Item No. 9) and
four (4) 1/4" - 20 x 3/4" bolts (Item No. 19),
four (4) internal lockwashers (Item No. 20)
and four (4) 1/4" hex nuts (Item No. 21).
Place the boom-to-mast bracket body (item
No. 9) on the boom-to-mast clamp (Item No.
10), align the holes and place the bolts in the
four
(
4
)
outer holes as shown in Fi
g
ure 2
)
.
Refer to Figure 3. Select the three (3) pairs of
boom-to-element brackets (Item No. 2) and
one pair of boom-to-driven element brackets
(Item No. 1). Place a 1/4"-20x3/8" bolt (Item
No. 18) with a square nut in the large brackets
(Figure 3, Detail B) and a #10-24 x 1/2" bolt)
(Item No. 13) with a square nut in each center
hole (Figure 3, Detail A) of the small
brackets. Do Not tighten at this time. These
will now be called the anchor bolts.
Figure 2 Boom-to-
Mast Bracket
Select the two sections of boom (Item Nos. 6
& 7) and insert them into the boom-to-mast
bracket until they meet at the center. Tighten
the bolts.
NOTE: See Figure 3, Detail B. Be sure to in-
sert the bolt (Item No. 33) in the bottom half
of the bracket from the "inside-out" to attach
the beta support clamp.
Install the U-bolts and associated hardware as
shown in Fi
g
ure 2.