EasyManua.ls Logo

Hydro-Pro 10 - Wiring Diagram Hydro Pro 13

Default Icon
29 pages
Print Icon
To Next Page IconTo Next Page
To Next Page IconTo Next Page
To Previous Page IconTo Previous Page
To Previous Page IconTo Previous Page
Loading...
- 12 -
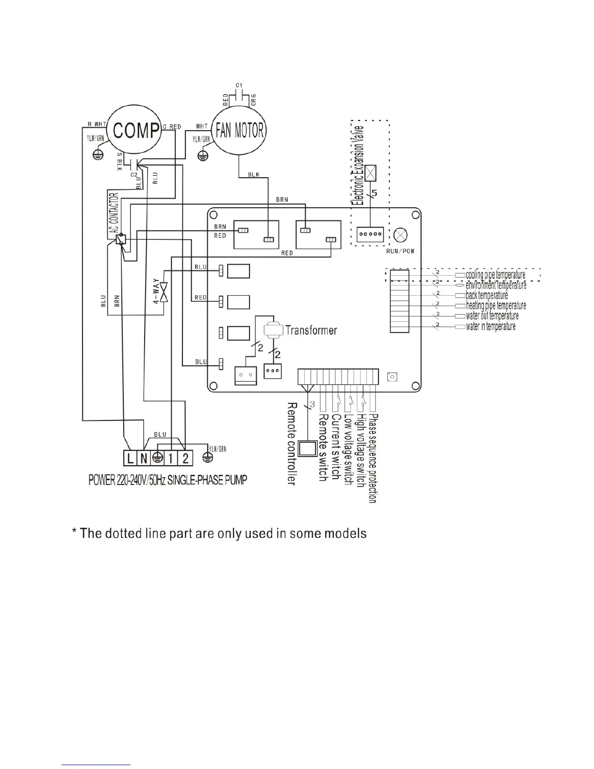
5.2 SWIMMING POOL HEAT PUMP WIRING DIADRA
Hydro Pro 13

Related product manuals