EasyManua.ls Logo

Hyster C455 - Page 8

Hyster C455
25 pages
Print Icon
To Next Page IconTo Next Page
To Next Page IconTo Next Page
To Previous Page IconTo Previous Page
To Previous Page IconTo Previous Page
Loading...
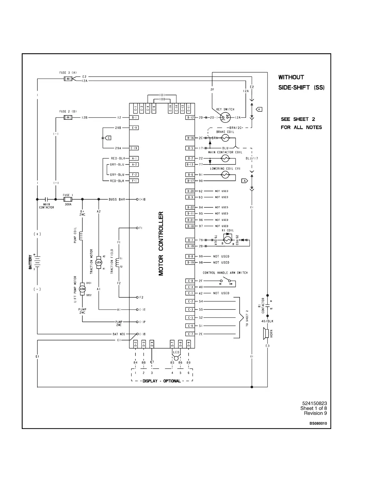
W30-40ZA WITHOUT SIDESHIFT
Diagrams, Schematics or Arrangements 8000 SRM 1029
2

Related product manuals