EasyManua.ls Logo

IBM 9009-22A - Page 69

IBM 9009-22A
150 pages
Print Icon
To Next Page IconTo Next Page
To Next Page IconTo Next Page
To Previous Page IconTo Previous Page
To Previous Page IconTo Previous Page
Loading...
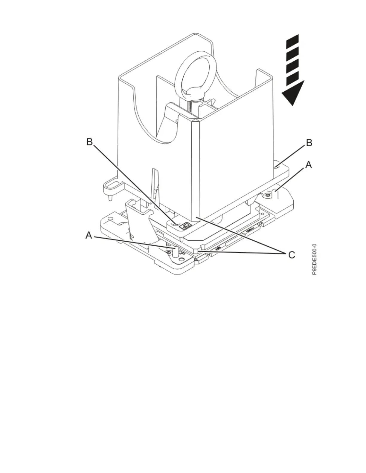
Figure 53. Lowering the removal tool onto the system processor module
e) With the removal tool sitting on top of the system processor module, push down on the pin (A)
slightly so that the blue tabs (B) snap outward and the jaws engage with the system processor
module as shown in the following gure. Make sure that both of the tool jaws are locked onto the
system processor module by pushing down on the tool.
Important: Do not press the blue release tabs until directed to do so later.
Removing and replacing the system backplane in the 5105-22E, 9008-22L, 9009-22A, 9009-22G, 9223-22H,
or 9223-22S 55

Other manuals for IBM 9009-22A

Related product manuals