EasyManua.ls Logo

IBM TotalStorage EXP24 7031-D24 - Page 32

IBM TotalStorage EXP24 7031-D24
336 pages
To Next Page IconTo Next Page
To Next Page IconTo Next Page
To Previous Page IconTo Previous Page
To Previous Page IconTo Previous Page
Loading...
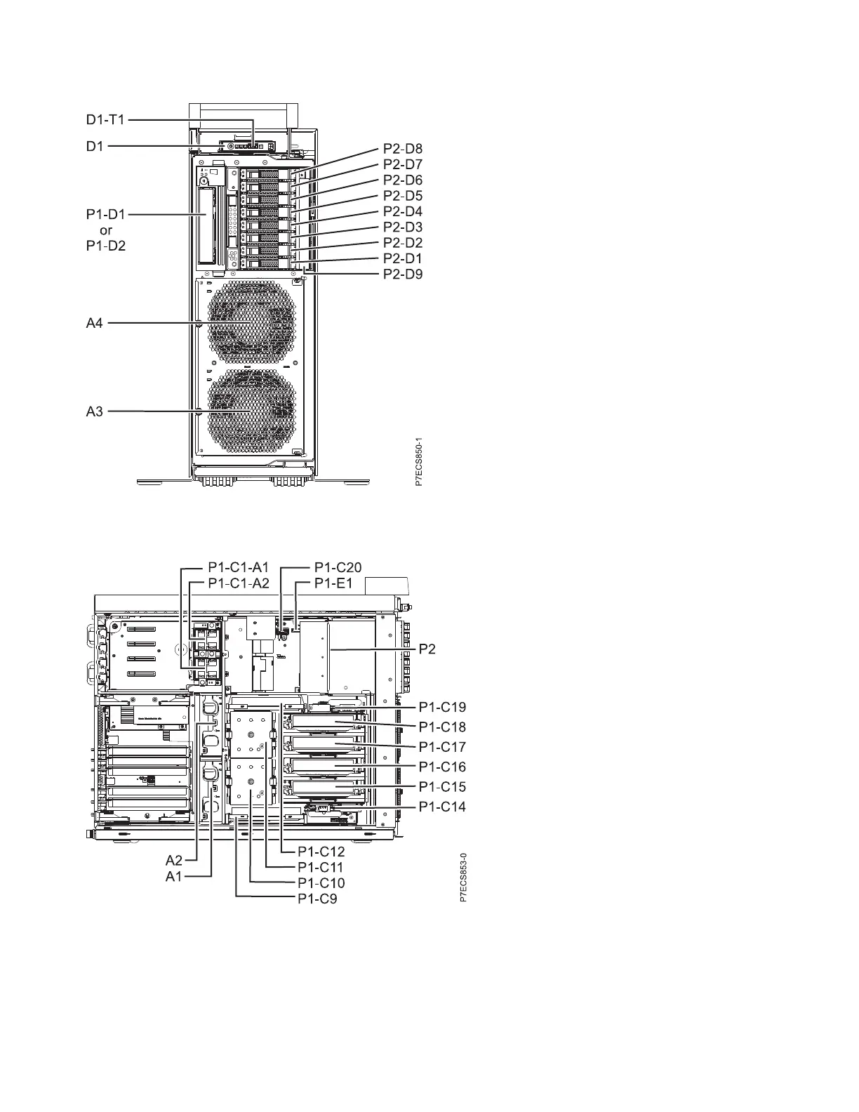
Figure 12. Stand-alone front view
Figure 13. Stand-alone side view
20 Finding parts, locations, and addresses

Table of Contents

Related product manuals