EasyManua.ls Logo

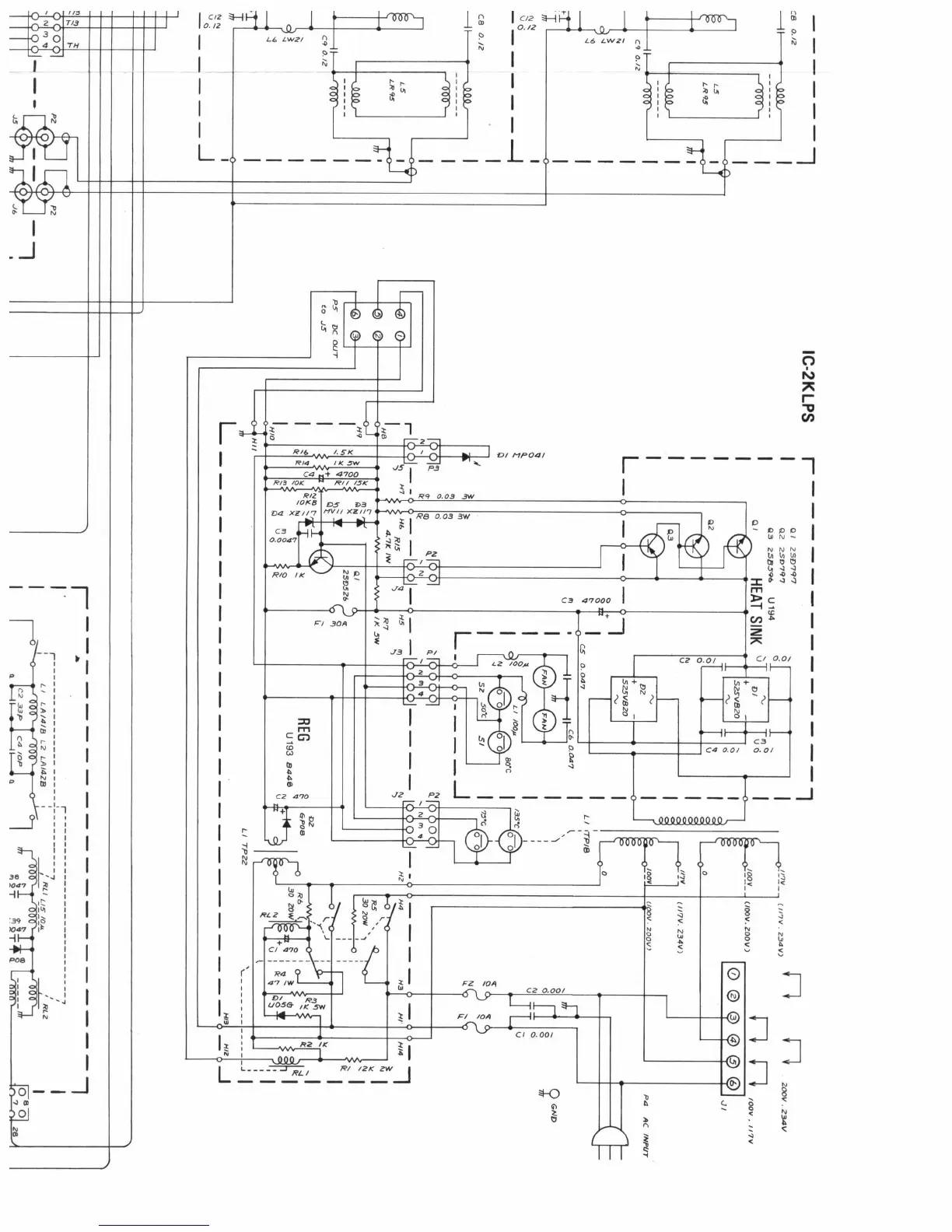
Icom IC-2KL - Power Supply Schematic

Icom IC-2KL
32 pages
Print Icon
To Previous Page IconTo Previous Page
To Previous Page IconTo Previous Page
Loading...

Other manuals for Icom IC-2KL

Related product manuals