EasyManua.ls Logo

Icom IC-746 - Page 124

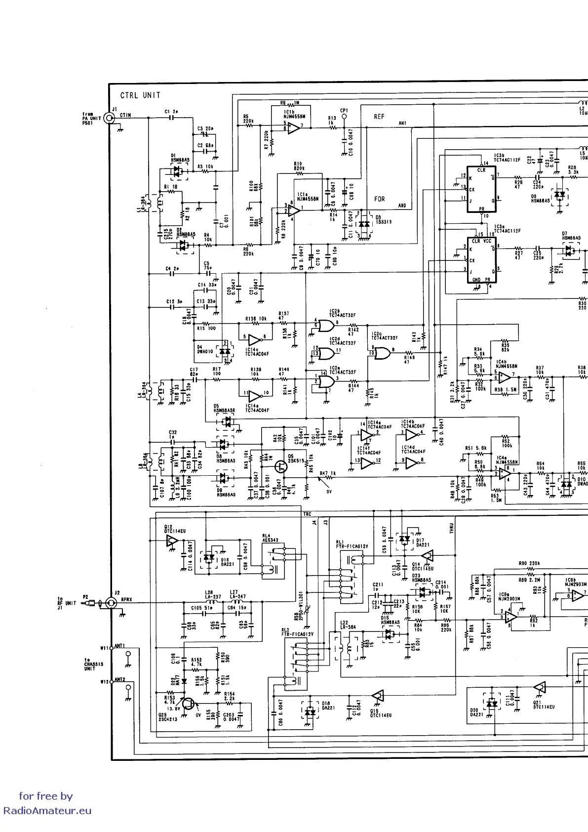
Icom IC-746
129 pages
Print Icon
To Next Page IconTo Next Page
To Next Page IconTo Next Page
To Previous Page IconTo Previous Page
To Previous Page IconTo Previous Page
Loading...

Table of Contents

Other manuals for Icom IC-746

Related product manuals