EasyManua.ls Logo

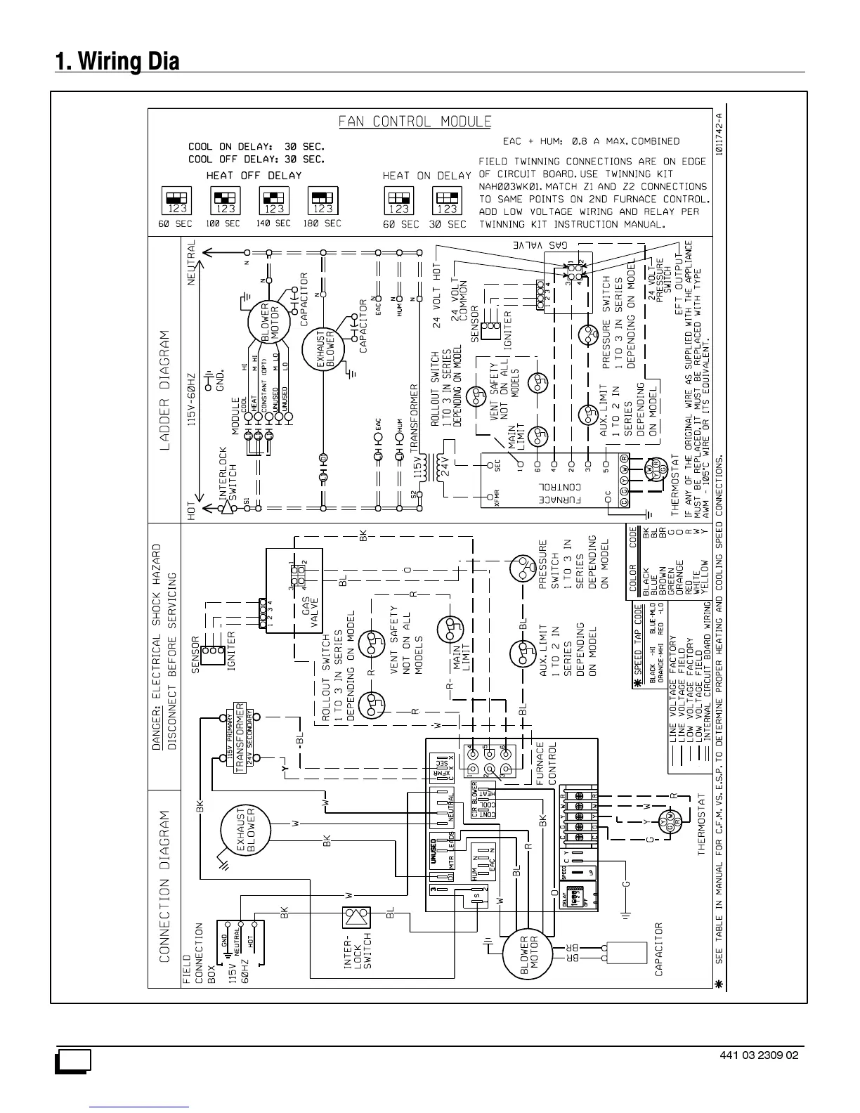
ICP GDE100F14A2 - Electrical Wiring and Diagrams; Furnace Wiring Schematics

ICP GDE100F14A2
16 pages
Print Icon
To Next Page IconTo Next Page
To Next Page IconTo Next Page
To Previous Page IconTo Previous Page
To Previous Page IconTo Previous Page
Loading...
   
 :LULQJ 'LDJUDP

Related product manuals