EasyManua.ls Logo

IDEC HS1E Series - Page 6

IDEC HS1E Series
11 pages
Print Icon
To Next Page IconTo Next Page
To Next Page IconTo Next Page
To Previous Page IconTo Previous Page
To Previous Page IconTo Previous Page
Loading...
Safety Products HS1E Series
www.idec.com USA: (800) 262-IDEC or (408) 747-0550, Canada: (888) 317-IDEC B1-35
B1
Safety Products
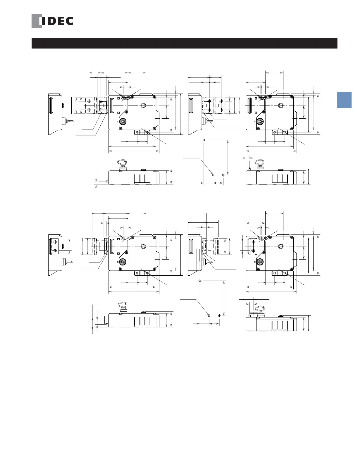
HS1E with indicator - using the straight key (HS9Z-A1)
HS1E with indicator - using the L-shaped key (HS9Z-A2)
Dimensions
23.523.5
RP
Actuator
Actuator Cover
Actuator
23.5
Mounting Hole Layout
3-M5 Screws
RP
210
49.5
129
121
26
ø
5
.4
R
2
.7
ø5.2
21
210
49.5
129
121
88 4
104
89
26
30
9
43
40
22
68.8
13.8
ø
5
.4
R
2
.7
ø5.2
30
9
43
40
22
13.8
54.3
35
39.7
6.5 ±1.0
35
39.7
8.5 ±1.0
26
89
45.4
33
45.4
21
89
33
88
104
4
RP: Actuator Mounting
Reference Position
Actuator Cover
23.523.5
23.5
Actuator
Actuator Cover
RP
Actuator Cover
Actuator
RP
Mounting Hole Layout
3-M5 Screws
210
49.5
129
121
26
ø
5
.4
R
2
.7
ø5.2
210
49.5
129
121
26
ø
5
.4
R
2
.7
ø5.2
35
39.7
35
39.7
26
89
22
40
43
30
6
61
11
17.5 ±1.0
40
43
30
6
46.5
22
11
19.5 ±1.0
45.4
21
89
33
88
104
4
45.4
21
89
33
88
104
4
RP: Actuator Mounting
Reference Position
All dimensions in mm.

Related product manuals