EasyManua.ls Logo

IGEBA TF 34 - Page 38

IGEBA TF 34
48 pages
Print Icon
To Next Page IconTo Next Page
To Next Page IconTo Next Page
To Previous Page IconTo Previous Page
To Previous Page IconTo Previous Page
Loading...
38
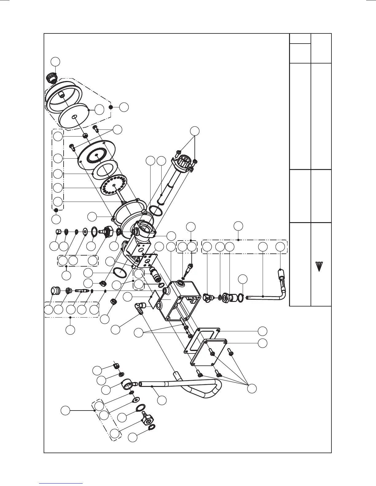
Ersatzteilzeichnung/Part drawing
Pièces de rechange
Piezas de recambio
Seite
Page
Página
29.04.2011
IGEBA
IGEBA Geraetebau GmbH
87480 Weitnau . Germany
Typ/Type/El tipo
Ausgabe:
37
39
42
40
41
43
35
44
46
47
36
130
12
13
56
55
57
15
58
59
26
36
17
18
14
61
60
60/1
73
36
34
33
32
63
28
23
27
27
22
2021
52
51
50
18
106
106
35
44
41
40
42
39
37
45
29
25
16
49
30
19
38
38
54
TF34
6-05 400 00
11/2014
Vergaser/Carburetor
Carburateur/Carburador
1
2

Other manuals for IGEBA TF 34

Related product manuals