EasyManua.ls Logo

IHI 9VX3 - Page 39

IHI 9VX3
136 pages
Print Icon
To Next Page IconTo Next Page
To Next Page IconTo Next Page
To Previous Page IconTo Previous Page
To Previous Page IconTo Previous Page
Loading...
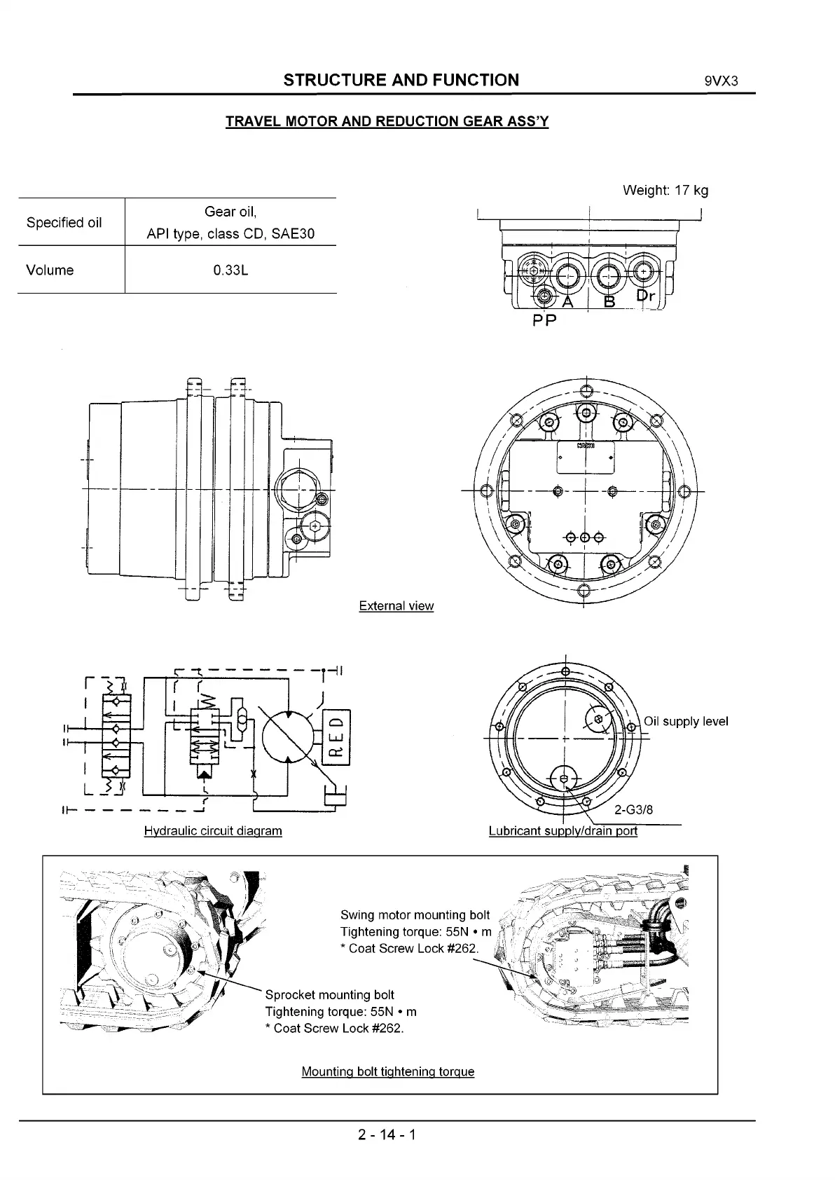
STRUCTURE AND FUNCTION 9VX3
TRAVEL MOTOR AND REDUCTION GEAR ASSY
Specified oil
Gear oil,
API type, class CD, SAE30
Volume 0.33L
PP
Weight: 17 kg
External view
Oil supply level
Lubricant supply/drain port
Swing motor mounting bolt
Tightening torque: 55N m
* Coat Screw Lock #262.
j ? '
Sprocket mounting bolt
Tightening torque: 55N m
* Coat Screw Lock #262.
Mounting bolt tightening torque
2-14-1

Related product manuals