EasyManua.ls Logo

IHI 9VX3 - Page 59

IHI 9VX3
136 pages
Print Icon
To Next Page IconTo Next Page
To Next Page IconTo Next Page
To Previous Page IconTo Previous Page
To Previous Page IconTo Previous Page
Loading...
STRUCTURE AND FUNCTION 9VX3
ATTACHMENT DATA
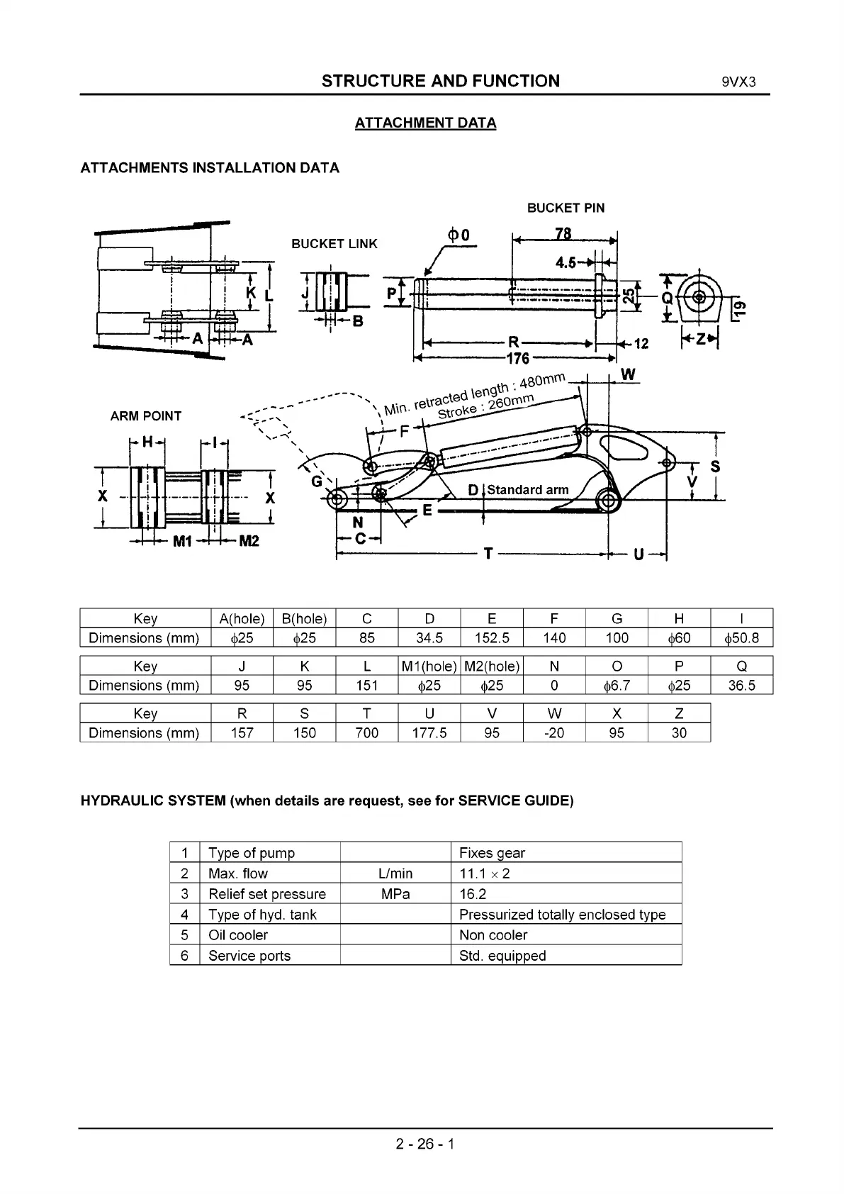
ATTACHMENTS INSTALLATION DATA
BUCKET PIN
Key A(hole) B(hole) С D E F G H I
Dimensions (mm)
ф25 ф25 85 34.5 152.5 140 1 0 0 ф60 Ф50.8
Key J
К L
M1(hole)
Ф
О
J =
CM
N
0
p
Q
Dimensions (mm) 95 95 151 ф25 ф25
0
фб.7
ф25 36.5
Key R S T u V W X Z
Dimensions (mm)
157
150 700 177.5 95 - 2 0 95 30
HYDRAULIC SYSTEM (when details are request, see for SERVICE GUIDE)
1 Type of pump Fixes gear
2 Max. flow L/min 1 1.1 x 2
3 Relief set pressure MPa 16.2
4 Type of hyd.tank Pressurized totally enclosed type
5
Oil cooler Non cooler
6 Service ports Std. equipped
2- 26-1

Related product manuals