EasyManua.ls Logo

IHI 9VX3 - Page 61

IHI 9VX3
136 pages
Print Icon
To Next Page IconTo Next Page
To Next Page IconTo Next Page
To Previous Page IconTo Previous Page
To Previous Page IconTo Previous Page
Loading...
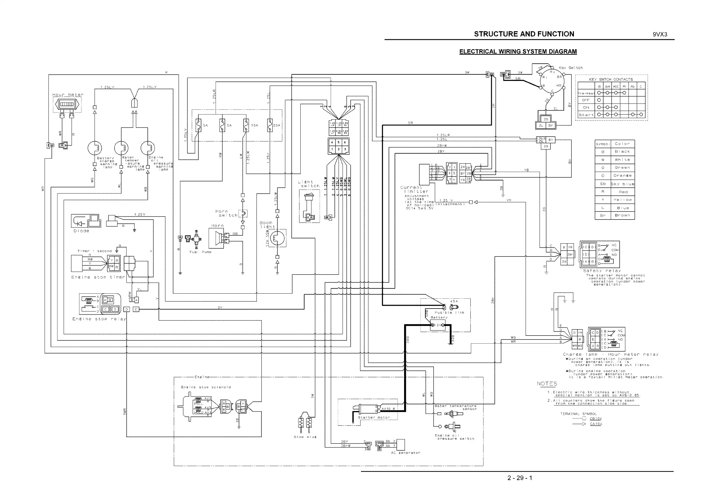
STRUCTURE AND FUNCTION 9VX3
ELECTRICAL WIRING SYSTEM DIAGRAM
<ey Swi tch
KEY SWTCH CONTACTS
в
BR
ACC
Ri R2
c
эре-heat
OFF
О
ON
о
-o-
-o
S ta rt 4> -o
Symbo i
Color
В
Black
W
Wh i te
G
Green
О
Oran g e
Sb
Sky blue
R
Red
Y
Ye I Iow
L
В I ue
Br
Brown
The starter motor cannot
operate during engine
operation (under power
generation).
С D
( В b-p' N C
( E >o C O M
E
( a )
--
о NO
, - N /XJOOCN
A В
Charge lamp Hour m eter relay
©During an operation (under
power generation), it is
charge lamp putting out lights.
i®During engine operation
(under Power gen era tio n ),
it is a foxtail millet meter operation.
Electric wire thickness without
special mention is set to AVS-Q.85.
AiI couplers show the figure seen
from the connection side side.
2- 29-1

Related product manuals