EasyManua.ls Logo

Ikon ISP29 - Page 18

Ikon ISP29
31 pages
Print Icon
To Next Page IconTo Next Page
To Next Page IconTo Next Page
To Previous Page IconTo Previous Page
To Previous Page IconTo Previous Page
Loading...
Service and Installation Manual
18
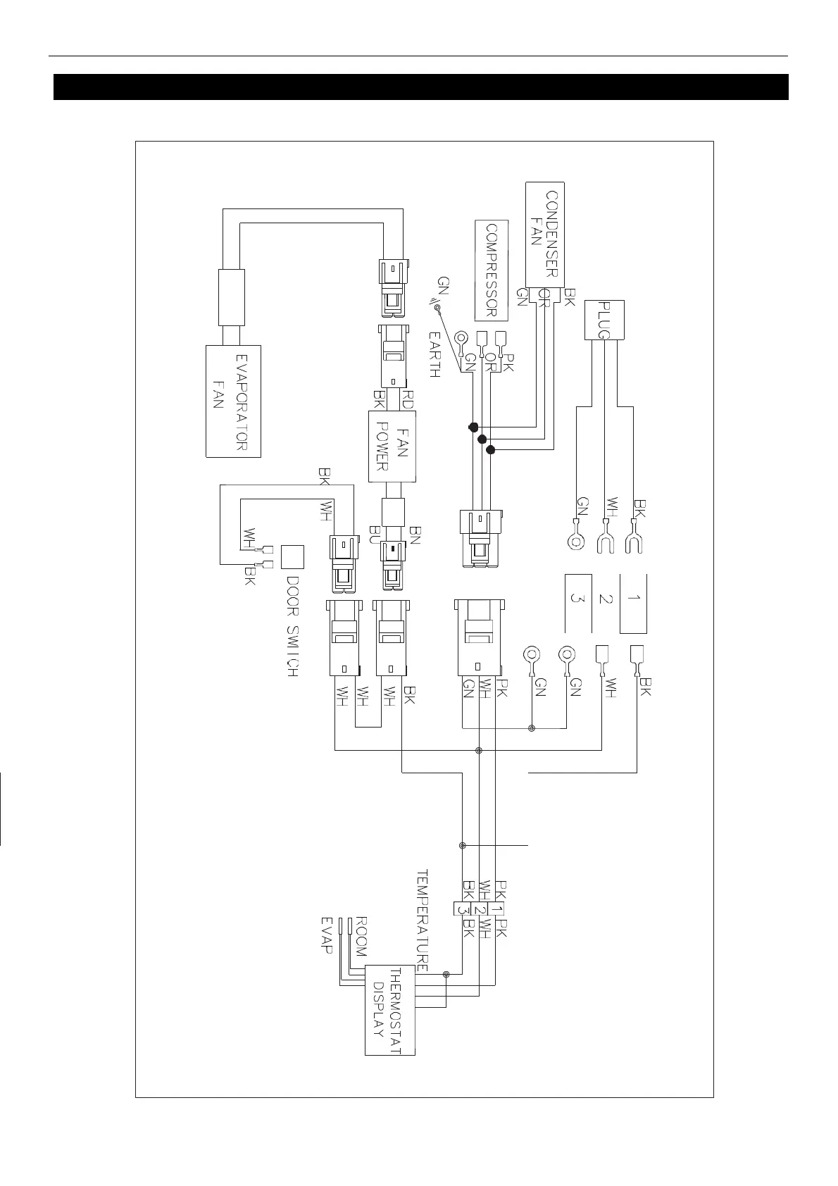
WIRING DIAGRAM
MODEL: IUC28