EasyManua.ls Logo

Ikon ISP29 - Page 19

Ikon ISP29
31 pages
Print Icon
To Next Page IconTo Next Page
To Next Page IconTo Next Page
To Previous Page IconTo Previous Page
To Previous Page IconTo Previous Page
Loading...
Service and Installation Manual
19
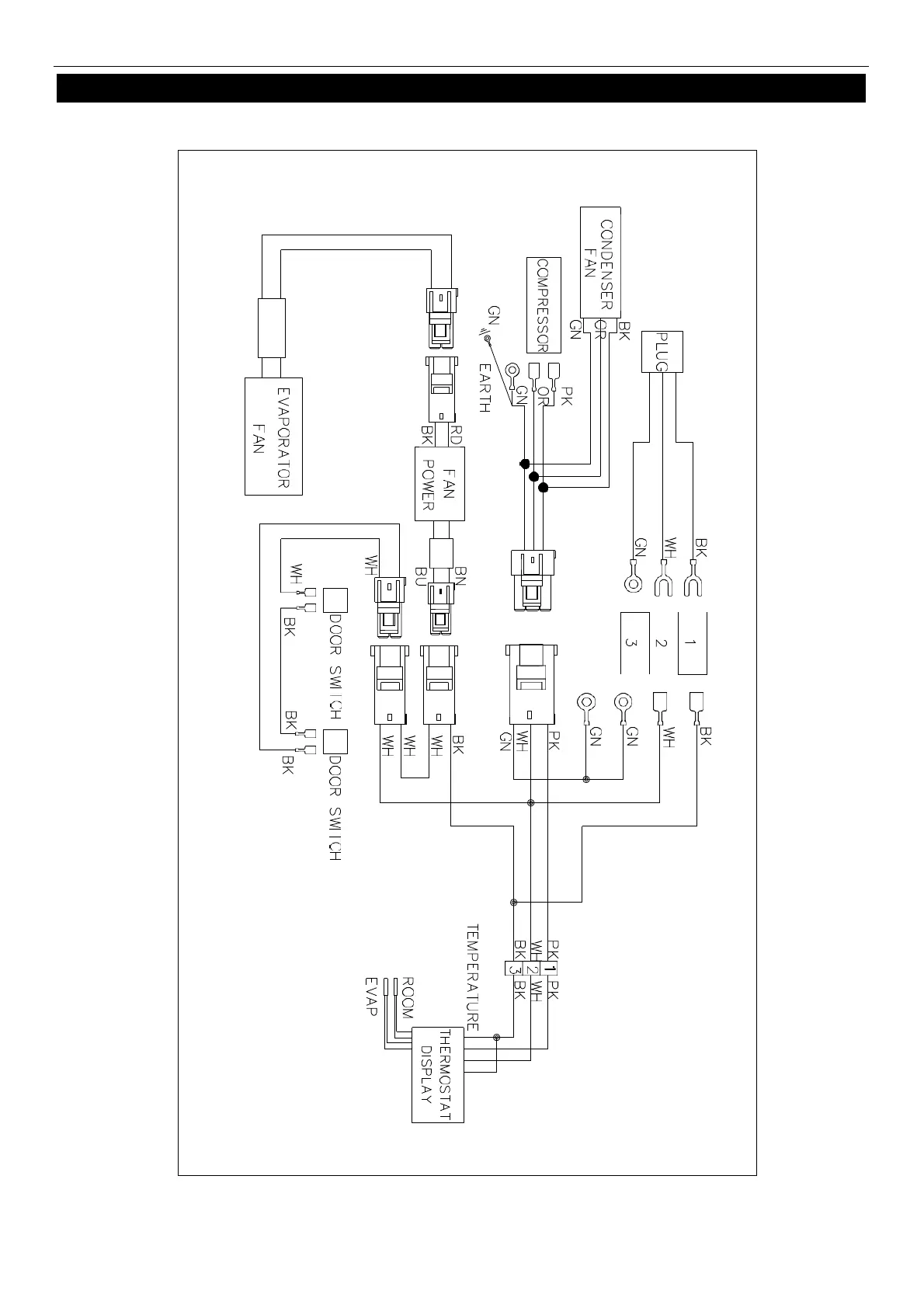
WIRING DIAGRAM
MODEL: IUC48/IUC61