EasyManua.ls Logo

Ilox SLS-1+ - Page 25

Ilox SLS-1+
104 pages
Print Icon
To Next Page IconTo Next Page
To Next Page IconTo Next Page
To Previous Page IconTo Previous Page
To Previous Page IconTo Previous Page
Loading...
25
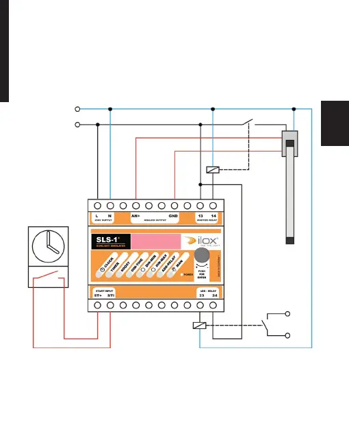
TL lampen
met DIM
EVSA of
elektronisch
lampen-
dimmer
(0–10 V
interface)
externe
tijdschakelklok
n.o.
contact
N
L
230 V-AC
0 (1)…10 V
+
** ALLEEN OPTIONEEL **
aanvullende
lampengroep of
aandrijving IN/UIT
nederlands