EasyManua.ls Logo

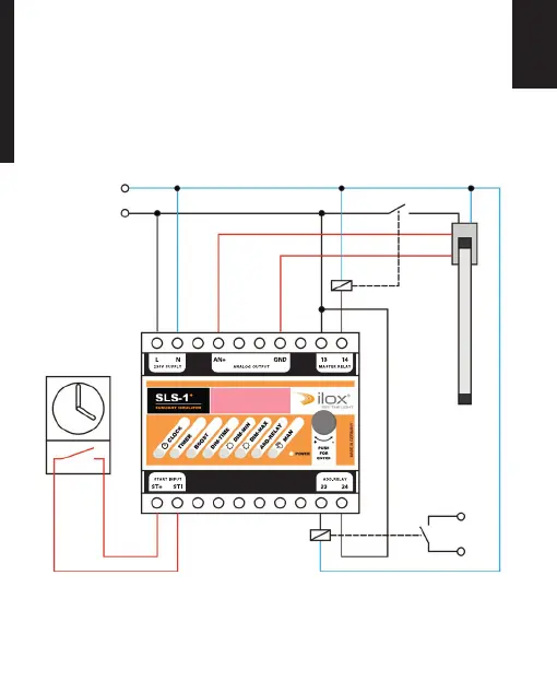
Ilox SLS-1+ - Wiring Diagram

Ilox SLS-1+
104 pages
Print Icon
To Next Page IconTo Next Page
To Next Page IconTo Next Page
To Previous Page IconTo Previous Page
To Previous Page IconTo Previous Page
Loading...
3
fluorescent
lamps with
DIM ballast
or dimmer
electronic
devices
with 0–10V
interface
External
timer
n.o.
contact
N
L
230 V-AC
0 (1)…10 V
+
** ONLY OPTIONAL **
Switch contact for
additional function
or additional light
group
english