EasyManua.ls Logo

Ilox SLS-1+ - Page 48

Ilox SLS-1+
104 pages
Print Icon
To Next Page IconTo Next Page
To Next Page IconTo Next Page
To Previous Page IconTo Previous Page
To Previous Page IconTo Previous Page
Loading...
48
française
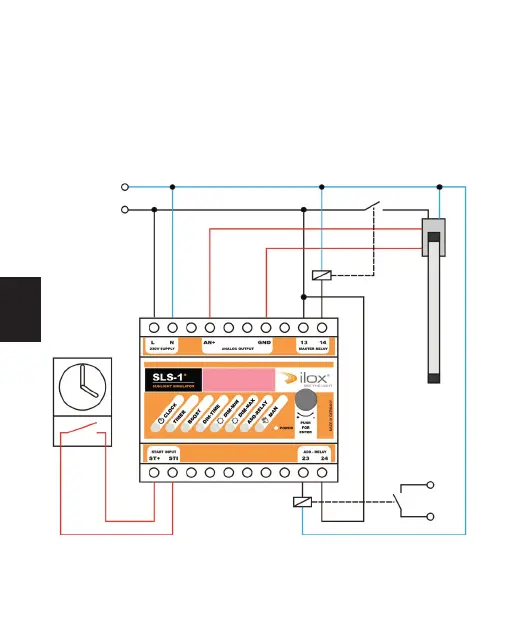
Contact de commu-
tation pour un
fonctionnement
supplémentaire
ou un groupe lumi-
neux auxiliaire
Minuterie
externe
n.o.
contact
N
L
230 V-AC
0 (1)…10 V
+
** Uniquement en option **
Lampe
fluorescente
DIM-EVG ou
appareils
électroni-
ques de
variation
avec une
interface
0–10 V