EasyManua.ls Logo

Ilox SLS-1+ - Page 71

Ilox SLS-1+
104 pages
Print Icon
To Next Page IconTo Next Page
To Next Page IconTo Next Page
To Previous Page IconTo Previous Page
To Previous Page IconTo Previous Page
Loading...
71
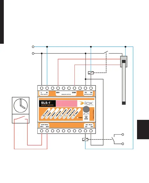
italiano
Lampade
fluorescenti
con DIM-EVG
o apparecchi
elettronici di
dimmaggio
con
interfaccia
0–10 V
Timer
esterno
n.o.
contact
N
L
230 V-AC
0 (1)…10 V
+
** SOLO OPTIONAL **
Contatto di
commutazione
per funzione
aggiuntiva o gruppo
luci supplementare