EasyManua.ls Logo

Image 8.25 Elliptical - Page 19

Image 8.25 Elliptical
20 pages
Print Icon
To Next Page IconTo Next Page
To Next Page IconTo Next Page
To Previous Page IconTo Previous Page
To Previous Page IconTo Previous Page
Loading...
69
3234
42
71
36
35
84
37
36
58
71
57
71
45
1
71
62
61
38
43
45
33
71
39
41
40
57
41
40
59
48
46
60
47
49
53
50
50
59
86
86
51
54
71
83
63
76
77
84
60
60
30
74
66
6
0
3
60
80
60
29
59
28
2
8
5
9
29
31
60
69
66
34
55
56
44
52
65
65
65
78
78
78
84
72
72
72
72
72
72
69
65
78
7
7
80
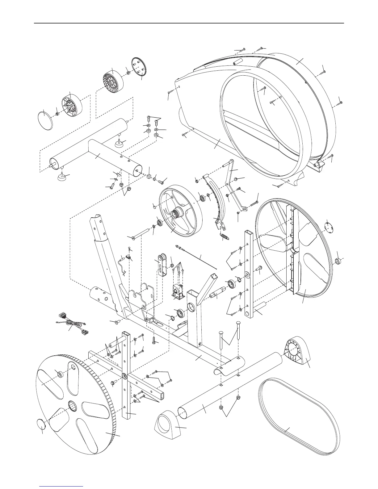
EXPLODED DRAWING B—Model No. IMEL2305.1 R
0307A
19

Related product manuals