EasyManua.ls Logo

IMER ES 150 - Component Identification

IMER ES 150
Print Icon
To Previous Page IconTo Previous Page
To Previous Page IconTo Previous Page
Loading...
- 15 -
IMER INTERNATIONAL S.p.A.
ES 150 (110V/50Hz)
matr. 36625 - ......
matr. 0 - 36624
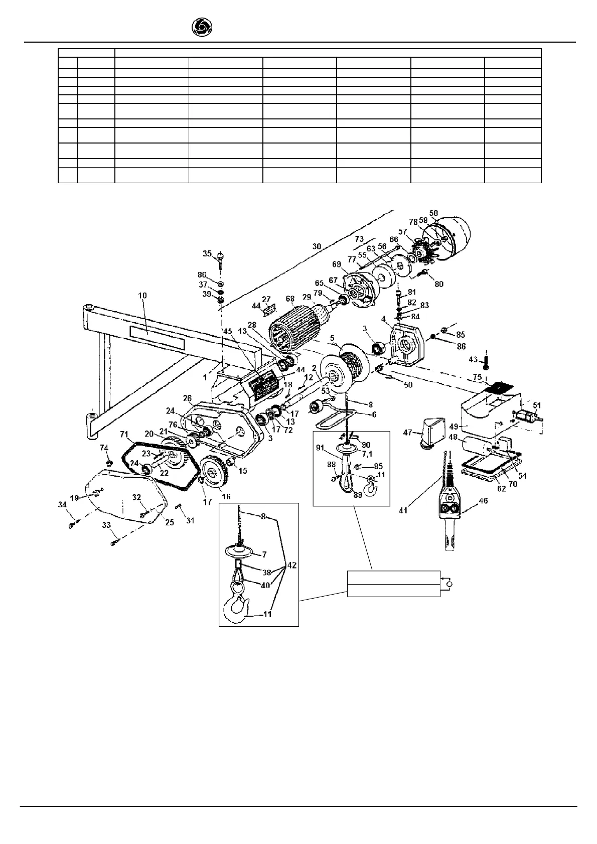
AS015 - 1140906 TAV. 1 ELEVATORE - ELEVATEUR - HOIST - WINDE - ELEVADOR / ES 150
Rif.
Cod.
I F
GB
D E
Note
81
2222018
VITE VIS
SCREW
SCHRAUBE
TORNILLO 5737 M8x35
82
2224140
ROSETTA
RONDELLE
WASHER
UNTERLEGSCHEIBE
ARANDELA
Ø 8x18
83
2224350
ROSETTA ELASTICA RONDELLE ÉLASTIQUE SPRING WASHER UNTERLEGSCHEIBE ARANDELA ELÁSTICA 6798A Ø 8
84
2223570
DADO
ECROU
NUT
MUTTER
TUERCA
5588 M8
85
2223920
DADO AUTOBLOCCANTE ECROU DE SÛRE SELF LOCKING NUT
SELBSTSICHERNDE
MUTTER
TUERCA
AUTOBLOCANTE
7474 M10
86
2224340
ROSETTA
RONDELLE
WASHER
UNTERLEGSCHEIBE
ARANDELA
6592 Ø10x20
88
2222470
VITE VIS
SCREW
SCHRAUBE
TORNILLO
M10x35
matr. 36625 - .....
89
2238680
CUNEO PER CAVO CONE POUR CABLE
WEDGE FOR STEEL
CABLE
KEGEL FÜR STAHLSEIL CUÑA PARA CABLE matr. 36625 - .....
90
2239400
MORSETTO
BORNE
CLAMP
KLEMME
BORNE
matr. 36625 - .....
91
2206002
BOZZELLO A CUNEO POULIE À CÔNE WEDGE BLOCK SEILBLOCK
GARRUCHA EN FORMA
DE CUÑA
matr. 36625 - .....

Related product manuals