EasyManua.ls Logo

Impex MARCY MD-9010 - WARNING LABEL PLACEMENT

Impex MARCY MD-9010
33 pages
Print Icon
To Next Page IconTo Next Page
To Next Page IconTo Next Page
To Previous Page IconTo Previous Page
To Previous Page IconTo Previous Page
Loading...
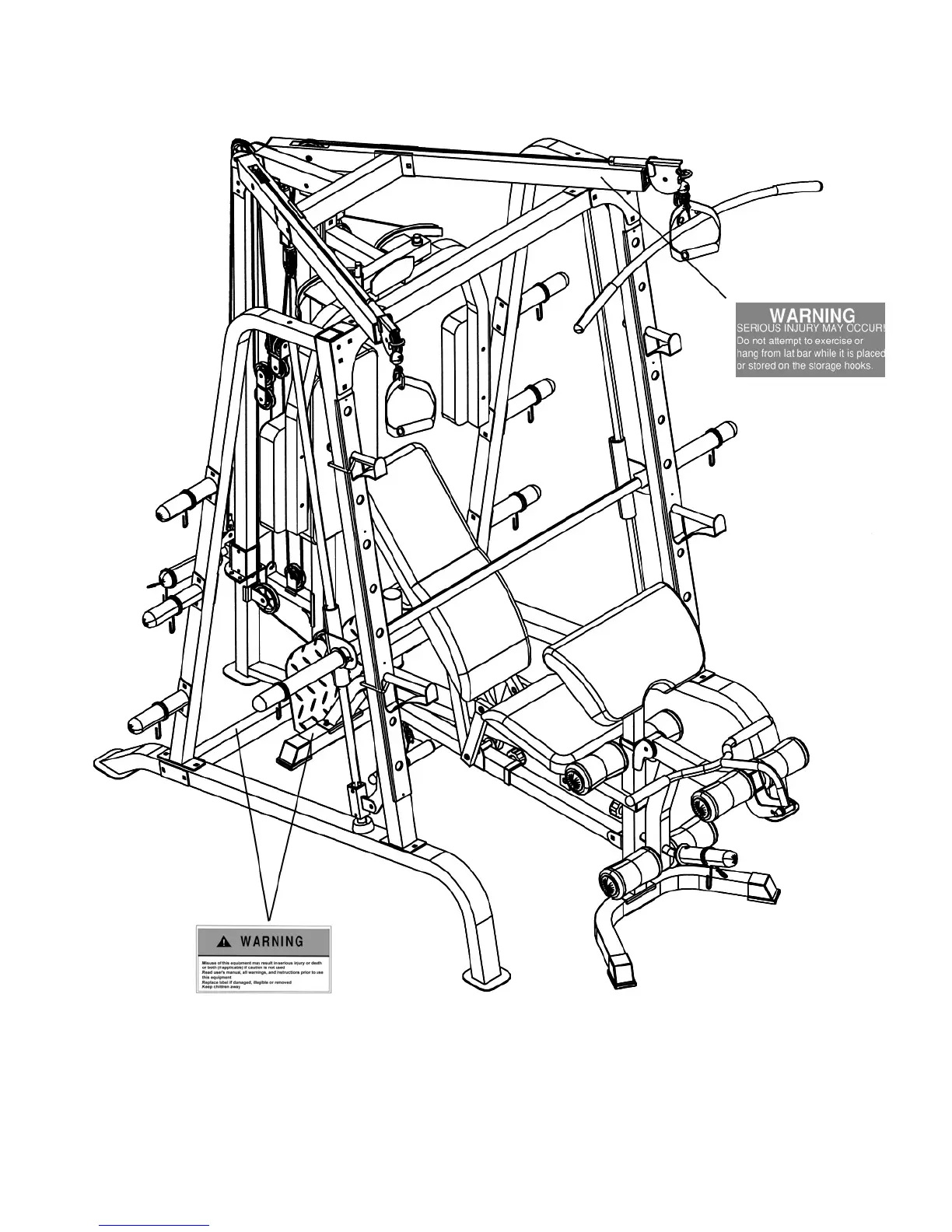
WARNING LABEL PLACEMENT
The warning labels shown here have been placed on the Rear Base, Rear Stabilizer, and Upper Frame.
If the labels are missing or illegible, please call customer service at 1-800-888-8899 for replacements.
Apply the labels in the location shown.
3

Related product manuals