EasyManua.ls Logo

Impex PWR 8 - Page 12

Impex PWR 8
25 pages
Print Icon
To Next Page IconTo Next Page
To Next Page IconTo Next Page
To Previous Page IconTo Previous Page
To Previous Page IconTo Previous Page
Loading...
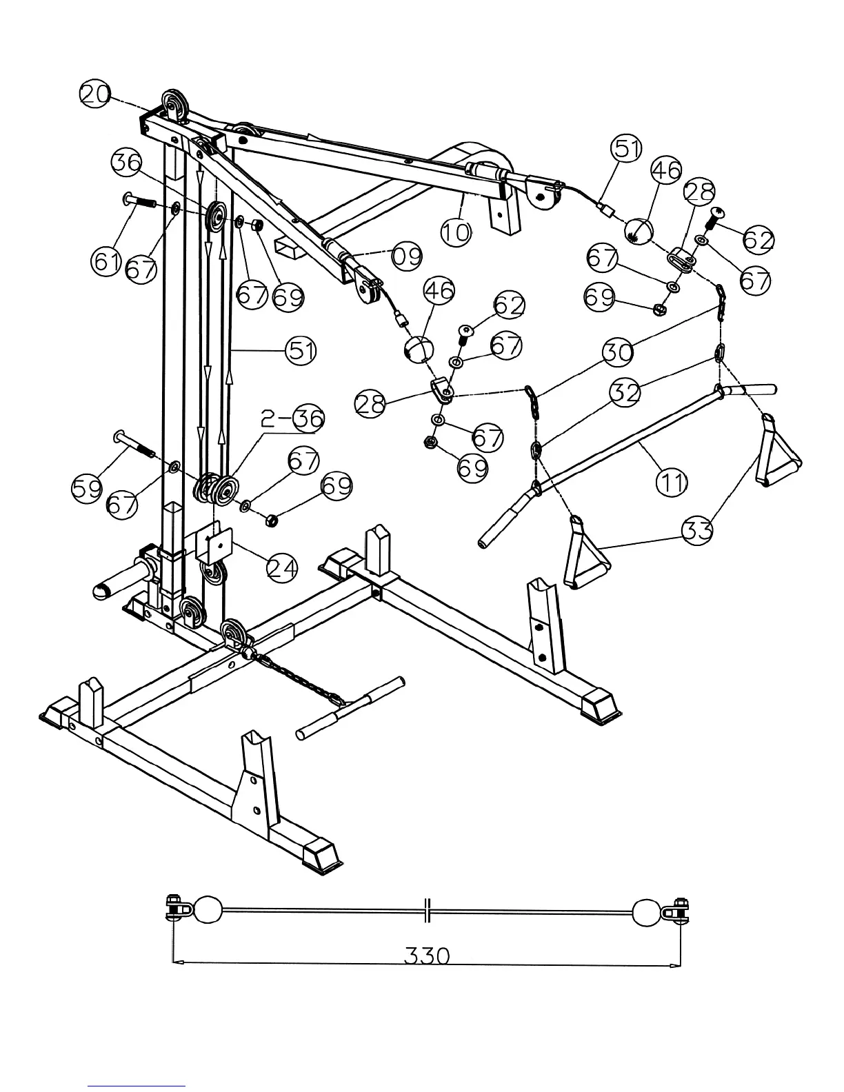
DIAGRAM 5
11

Related product manuals