EasyManua.ls Logo

Infinity 7540a - Page 27

Infinity 7540a
29 pages
Print Icon
To Next Page IconTo Next Page
To Next Page IconTo Next Page
To Previous Page IconTo Previous Page
To Previous Page IconTo Previous Page
Loading...
HI-INPUT
HI101
LAD1140-04PBK
R105
47KF
C128
4.7/50V"SRE"
R241
1K
C241
2.2/50V
R231
1K
C231
2.2/50V
R142
5.6K
R141
1K
C141
2.2/50V
R132
5.6K
RCA101-A
DJB-554A
R122
10K
C211
47P
U111-A
1
3
2
NJM2068LD
+
-
VR101-A
20KB
R110
10K
U102-B
NJM2068M
7
5
6
4
R222
10K
U102-A
8
3
2
1
NJM2068M
U105-B
7
6
5
NJM2068M
-
+
R115
5.6K
PROT
C228
4.7/50V"SRE"
U103-B
7
6
5
NJM2068M
-
+
R256 47KF
C132
100P
R257
5.1K
R255
9.1KF
R126
10KF
C256
39P
C155
10/16V"SRE"
U104-B
7
6
5
NJM2068M
-
+
VR101-B
20KB
R108
240F
R123
270K
C113
823M"TL"
R214
10K
VEE2
R213
5.6K
R156
91KF
C156
22P
R155
9.1KF
R206
47KF
C255
10/16V"SRE"
C215
823M"TL"
R205
47KF
R131
1K
C131
2.2/50V
C102
22/16V"SRE"
U111-B
7
5
6
NJM2068LD
+
-
R225
10KF
R228
1K
RCA101-D
DJB-554A
VEE
R229
100K
RCA101-B
DJB-554A
R127
1K
U101-B
7
6
5
NJM2068LD
-
+
R129
100K
RCA101-C
DJB-554A
R203
47KF
C204
10P
R201
22KF
R202
47KF
C203
22/16V"SREz"
C202
22/16V"SRE"
C181
100/16V
R281
56K
R227
1K
C120
2.2\50V
R112
10K
R208
240F
C201
10/16"SRE"
C123
22/16V"SRE"
C124
22/16V"SRE"
R207
1K
R211
10K
R128
1K
VEE
VCC
VCC
C232
100P
TER02-A
DK0801-AG-5-UP
C224
22/16V"SRE"
R120
5.6KF
VR102A
50KC
C223
22/16V"SRE"
C121
68P
C220
2.2\50V
R107
1K
R106
47KF
R226
10KF
C221
68P
R124
270K
R221
22KF
VR102C
50KC
R121
22KF
R220
5.6KF
R247
2.7K
R224
270K
U101-A
1
2
3
NJM2068LD
-
+
R111
10K
VR102D
50KC
C115
823M"TL"
R113
5.6K
R114
10K
R245
1K
R243
22
R244
22
R233
22
SW101-A
JSS2319
C111
47P
VR102B
50KC
SW101-B
JSS2319
R212
10K
C213
823M"TL"
VCC2
R242
5.6K
Q281
C3198GR
U104-A
1
2
3
NJM2068M
-
+
Q181
C3198GR
R181
56K
Q151
C3200GR
C151
100P
D151
1SS133
R152
10K
C161
104(M)
R161
4.7/0.5W
R151
1.5K
R171
33KF
C171
100/16V
R172
2KF
C291
220/16V
D291
1N4744(15V)
R291
150/2W
R160
0.1/3W
Q135
TIP35C
Q145
TIP36C
Q144
A1023Y
Q134
C1027Y
R150
120
R136
47
R146
47
Q143
C3198GR
R137
3.9K
Q140
C3200GR
Q133
A1266GR
D191
1N4744(15V)
C191
220/16V
R191
150/2W
R135
1K
R134
22
R133
22
R144
22
R143
22
R145
1K
U103-A
1
2
3
NJM2068M
-
+
R215
5.6K
U105-A
1
2
3
NJM2068M
-
+
R210
10K
R125
10KF
R147
2.7K
R223
270K
Q141
A1266GR
Q142
A1266GR
Q132
C3198GR
Q131
C3198GR
R262
680/2W
R162
680/2W
R170
0.1/3W
C242
100P
C142
100P
R234
22
R235
1K
Q231
C3198GR
Q232
C3198GR
Q242
A1266GR
Q241
A1266GR
Q233
A1266GR
Q240
C3200GR
R237
3.9K
Q243
C3198GR
R246
47
R236
47
R250
120
Q234
C1027Y
Q244
A1023Y
Q245
TIP36C
Q235
TIP35C
C206
22P
C271
100/16V
R272
1KF
R271
33KF
R251
1.5K
R261
4.7/0.5W
C261
104(M)
R252
10K
R232
5.6K
D251
1SS133
C251
100P
Q251
C3200GR
C240
473(M)
C140
473(M)
C192
330/16V
C292
330/16V
C400
104P
C200
104P
R103
47KF
C104
10P
R101
22KF
R102
47KF
C103
22/16V"SRE"
FRONT-R
REAR-R
U110-A
1
3
2
NJM2068LD
+
-
R166
1K
R165
1K
FRONT-R
FRONT-L
R266
1K
U110-B
7
6
5
NJM2068LD
-
+
R265
1K
REAR-L
FRONT-L
C205
22P
C106
22P
C105
22P
C126
22P
C226
22P
R270
0.1/3W
C225
10/16V"SRE"
C125
10/16V"SRE"
R260
0.1/3W
SW102
JSS2219
C410
104P
C210
104P
C195
473P
C196
473P
C296
473P
C295
473P
CLIP
D169
1SS133
R169
200K
R269
200K
D269
1SS133
CLIP
C101
10/16"SRE"
1
WT-9519->DK-0801-AG-5-UP
C
3
2005.01.27
MODEL NAME 7540a->7541aCL 1-50017A
3
2004.08.10
C101,201 102P->10/16V"SRE"CL 1-40240A
2
2
2
R172,272 820F->1KF R171,271 13.7KF->33KF
R257 9.31KF->5.1K
R108,208 820->240F R155,255 15K->9.1K
1
1
1
1
1
2004.06.29
CL 1-40199B
1
1
1
1
1
2005.01.28
2005.01.28
2005.01.28
7541a
CLS-AP-4006
4
09
HCG
DIGITAL CO.LTD
CHUNG LAM
2
+15V
-15V
+15V
STEREO
MONO
L-OUT
LOW INPUT L-CH
LOW INPUT R-CH
R-OUT
+15V
-15V
-15V
-15V
+15V
FLAT
FLAT
HPF
HPF
LPF
LPF
A
F/LOUT
F/ROUT
+
-
-
+
32-320Hz VARIABLE X-OVER
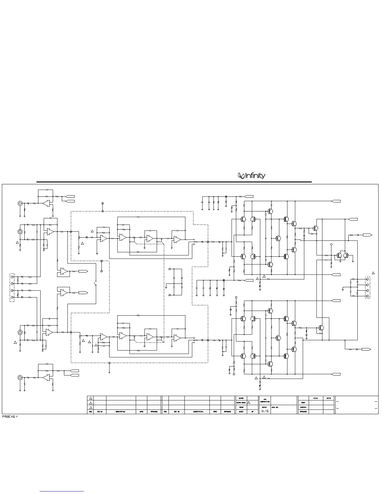
Power Amplifier Reference 7541a
26
REF 7541a SCHEMATIC PAGE 2

Related product manuals