EasyManua.ls Logo

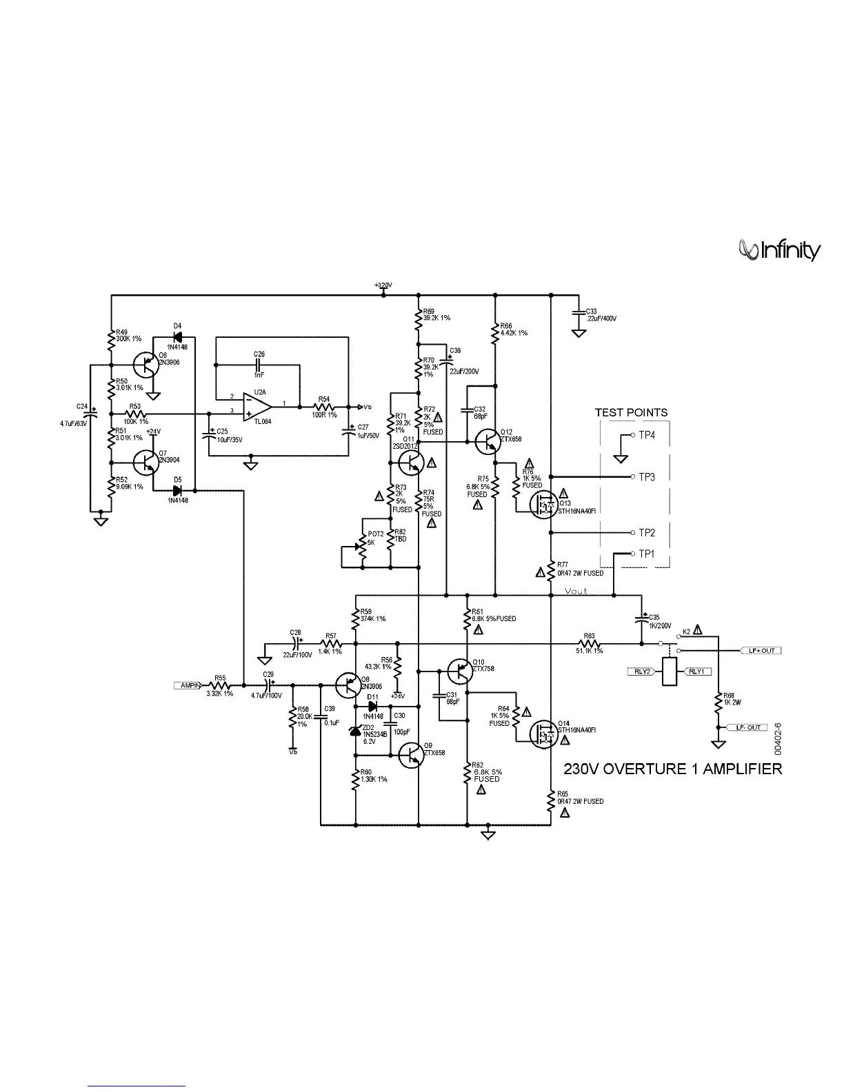
Infinity Overture 1 - 230 V Amplifier Schematic

Infinity Overture 1
33 pages
Print Icon
To Previous Page IconTo Previous Page
To Previous Page IconTo Previous Page
Loading...
Overture 1
33
230V amplifier

Other manuals for Infinity Overture 1

Related product manuals