EasyManua.ls Logo

Injecta ELITE PR - Wire Connection

Injecta ELITE PR
38 pages
Print Icon
To Next Page IconTo Next Page
To Next Page IconTo Next Page
To Previous Page IconTo Previous Page
To Previous Page IconTo Previous Page
Loading...
0000137062 Rev. 3.0
3
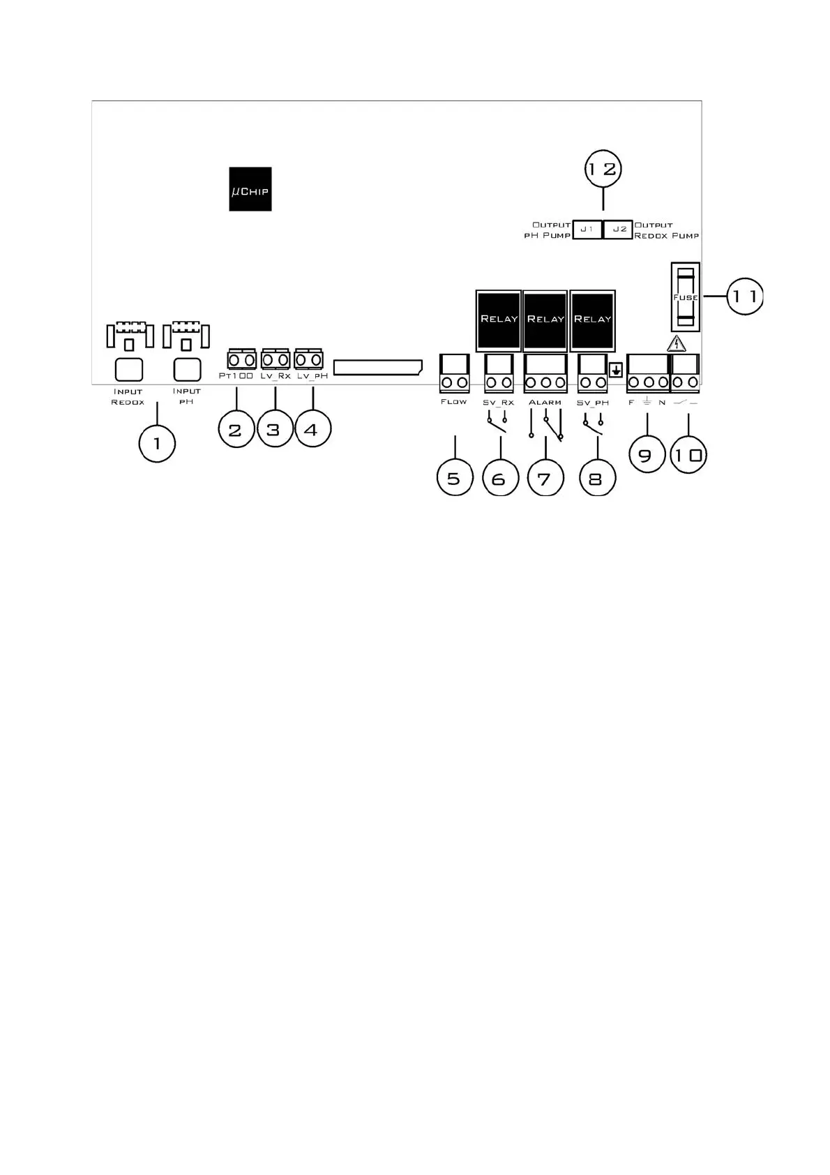
Main board
Wire Connection:
1) Input pH and Redox Probe
2) Input Temperature Probe (PT100)
3) Input Level Probe Redox (Product Tank)
4) Input Level Probe pH (Product Tank)
5) Input Flow Rate (High Voltage 230 Vac)
6) Output Relay Solenoid Valve Redox (Dry contact, Relay 250 Vac 10 A)
7) Output Relay Alarm remote (Dry contact, Relay 250 Vac 10 A)
8) Output Relay Solenoid Valve pH (Dry contact, Relay 250 Vac 10 A)
9) Power Supply 230 Vac
10) Switch Power Supply
11) Fuse 500 mA Delay
12) Output pH (J1) and Redox (J2) pumps

Related product manuals