EasyManua.ls Logo

Intec FORCE/2 - Warranty

Intec FORCE/2
60 pages
Print Icon
To Next Page IconTo Next Page
To Next Page IconTo Next Page
To Previous Page IconTo Previous Page
To Previous Page IconTo Previous Page
Loading...
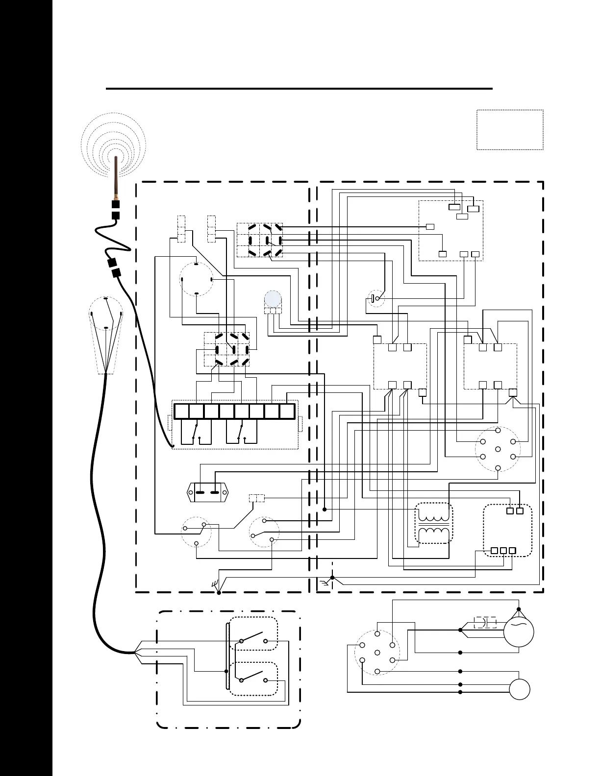
ELECTRICAL DRAWINGS
FORCE/2
Electrical Drawings (Contโ€™d)
๏€๏€‚๏€ƒ๏€„๏€…๏€†
๏€‡๏€ˆ๏€‰๏€‚๏€Š๏€…๏€‹๏€Œ๏€๏€Ž๏€๏€Œ๏€๏€‹๏€
๏€๏€‘๏€’๏€“๏€”
๏€๏€‚๏€ƒ๏€„๏€…๏€†๏€‡๏€ˆ๏€†๏€‰๏€Š๏€‹๏€„๏€๏€Œ๏€‹๏€‹๏€
๏€Ž๏€๏€Œ๏€†๏€๏€๏€„๏€๏€‘๏€ˆ๏€’๏€“๏€”
๏€…๏€•๏€–๏€„๏€๏€Œ๏€‹๏€‹๏€
๏€—๏€๏€˜๏€™๏€๏€’๏€„๏€š๏€›๏€’
๏€Ž๏€Š๏€›๏€‘๏€‹๏€‡ ๏€—๏€œ๏€ˆ๏€’๏€†๏€’๏€›๏€‡
๏€
๏€‚
๏€
๏€‚
๏€‚ ๏€ ๏€ƒ
๏€•๏€๏€ž๏€๏€š๏€„๏€–
๏€Ÿ๏€‹๏€ ๏€†๏€Š๏€‹
๏€ž๏€›๏€ก๏€ก๏€‹๏€“๏€’๏€›๏€‡
๏€ข๏€ฃ๏€ค๏€ฅ๏€ž
๏€ž๏€Ž๏€–
๏€ž๏€ˆ๏€‡๏€“๏€™๏€ˆ๏€’๏€„๏€Ž๏€‡๏€‹๏€†๏€ฆ๏€‹๏€‡
๏€๏€‚๏€– ๏€๏€‚๏€ง
๏€จ๏€ก
๏€จ๏€ฉ๏€ฉ
๏€…๏€•๏€–
๏€„๏€‚
๏€ช๏€–
๏€ง๏€„๏€ซ๏€š
๏€—๏€ž๏€„๏€ž๏€›๏€ก๏€’๏€†๏€“๏€’๏€›๏€‡
๏€Ž๏€Š๏€›๏€‘๏€‹๏€‡๏€
๏€„๏€
๏€…๏€‚ ๏€…๏€
๏€†๏€‚
๏€†๏€
๏€•๏€‹๏€“๏€‹๏€Œ๏€’๏€†๏€“๏€Š๏€‹๏€„๏€ฌ๏€–
๏€Ž๏€Š๏€›๏€‘๏€‹๏€‡
๏€—๏€œ๏€ˆ๏€’๏€†๏€’๏€›๏€‡๏€„
๏€•๏€‹๏€“๏€‹๏€Œ๏€’๏€†๏€“๏€Š๏€‹๏€„๏€ฌ๏€ง
๏€๏€‚
๏€‚
๏€
๏€ƒ
๏€‡
๏€ˆ
๏€‰
๏€Š
๏€Ÿ๏€Š๏€†๏€ก๏€œ๏€‹๏€„
๏€ž๏€›๏€ก๏€ก๏€‹๏€“๏€’๏€›๏€‡
๏€Ÿ๏€‹๏€ ๏€†๏€Š๏€‹๏€„๏€„๏€ฌ๏€ƒ
๏€‚๏€
๏€‹
๏€Œ๏€‚๏€Œ๏€๏€Œ๏€ƒ๏€Œ๏€ˆ๏€Œ๏€‡๏€Œ๏€‰๏€Œ๏€Š๏€Œ๏€
๏€Ž
๏€๏€‚
๏€๏€
๏€„๏€‚๏€„๏€๏€†๏€‹
๏€†๏€Ž
๏€Œ๏€ƒ
๏€Œ๏€
๏€Œ๏€‚
๏€š๏€ฃ๏€ญ๏€ฎ๏€„๏€–
๏€ฅ๏€†๏€Š๏€‹
๏€ž๏€›๏€ก๏€ก๏€‹๏€“๏€’๏€›๏€‡
๏€ข๏€ฃ๏€ค๏€Ÿ๏€ž
๏€๏€‹ ๏€‚๏€‹
๏€๏€Ž
๏€‚๏€Ž
๏€๏€‹ ๏€‚๏€‹
๏€๏€Ž
๏€‚๏€Ž
๏€๏€‘๏€’๏€“๏€”
๏€•
๏€”
๏€–
๏€—
๏€˜
๏€™
๏€š
๏€›
๏€œ
๏€•
๏€”
๏€”
๏€
๏€œ๏€•๏€”๏€”๏€
๏€Ÿ๏€ญ๏€„๏€–
๏€–๏€ฏ๏€—
๏€Ÿ๏€™๏€๏€‹
๏€–๏€ฐ๏€ฑ๏€ค๏€ฒ๏€–๏€ณ๏€ณ๏€ด๏€„
๏€“๏€›๏€‡๏€
๏€๏€Š๏€‹๏€“๏€’๏€‡๏€ˆ๏€“๏€†๏€Š๏€„๏€Ž๏€›๏€ฒ
๏€ต๏€…๏€ˆ๏€‹๏€‘๏€‹๏€๏€„๏€ฉ๏€‡๏€›๏€ 
๏€Ÿ๏€‡๏€›๏€ก๏€’๏€ถ
๏€Ÿ๏€‡๏€›๏€ก๏€’๏€„๏€š๏€†๏€ก๏€‹๏€Š๏€„๏€ต๏€…๏€ˆ๏€‹๏€‘๏€‹๏€๏€„๏€ฉ๏€‡๏€›๏€ ๏€„๏€•๏€‹๏€†๏€‡๏€ถ
๏€•๏€‹๏€ ๏€›๏€’๏€‹๏€„๏€•๏€‹๏€“๏€‹๏€ˆ๏€ท๏€‹๏€‡๏€„๏€Œ๏€‡๏€›๏€œ๏€‡๏€†๏€ ๏€ ๏€‹๏€๏€„๏€ฉ๏€›๏€‡๏€„๏€ฃ๏€†๏€’๏€“๏€”๏€ˆ๏€ก๏€œ๏€„๏€ธ๏€ก๏€’๏€‹๏€‡๏€ก๏€†๏€Š๏€„๏€•๏€‹๏€Š๏€†๏€๏€
๏€•๏€‹๏€†๏€๏€„๏€’๏€‹๏€‡๏€ ๏€ˆ๏€ก๏€†๏€Š๏€๏€„๏€š๏€–๏€„๏€’๏€”๏€‡๏€›๏€™๏€œ๏€”๏€„๏€š๏€ฐ๏€„๏€ฉ๏€‡๏€›๏€ ๏€„๏€Š๏€‹๏€ฉ๏€’๏€„๏€’๏€›๏€„๏€‡๏€ˆ๏€œ๏€”
๏€‚
๏€
๏€ƒ
๏€‡
๏€ˆ
๏€‰
๏€Š
๏€ž
๏€ž
๏€…๏€ƒ
๏€…๏€‚
๏€…๏€
๏€…๏€ˆ
๏€…๏€‡
๏€…๏€‰
๏€…๏€
๏€Ÿ
๏€Ÿ
๏€ฅ๏€ง
๏€Ž๏€Š๏€›๏€‘๏€‹๏€‡
๏€ฅ๏€›๏€’๏€›๏€‡
๏€ฅ๏€–
๏€—๏€œ๏€ˆ๏€’๏€†๏€’๏€›๏€‡
๏€ฅ๏€›๏€’๏€›๏€‡
๏€Ÿ๏€Š๏€†๏€ก๏€œ๏€‹๏€„
๏€ž๏€›๏€ก๏€ก๏€‹๏€“๏€’๏€›๏€‡
๏€ฅ๏€†๏€Š๏€‹๏€„๏€„๏€ฌ๏€ƒ
๏€ 
๏€ก
๏€„๏€‚
๏€ช๏€ง
๏€ง๏€„๏€ซ๏€š
๏€—๏€ž๏€„๏€ž๏€›๏€ก๏€’๏€†๏€“๏€’๏€›๏€‡
๏€—๏€œ๏€ˆ๏€’๏€†๏€’๏€›๏€‡
๏€„๏€
๏€…๏€‚ ๏€…๏€
๏€†๏€‚
๏€†๏€
๏€ข๏€•๏€ฃ๏€๏€“๏€ค๏€Œ๏€™๏€๏€”๏€˜๏€ค๏€Ÿ๏€•๏€ฃ๏€ฅ๏€๏€–
๏€—๏€˜๏€ฅ๏€”
๏€๏€‘๏€’๏€“๏€”๏€ฆ๏€—๏€˜๏€™๏€š๏€›
๏€ฃ๏€•๏€™๏€๏€œ๏€”
๏€†๏€ง๏€Ÿ๏€‚๏€ˆ๏€ค๏€•๏€”๏€–
๏€†๏€ง๏€Ÿ๏€‚๏€ˆ๏€ค๏€—๏€˜๏€ฅ๏€”
๏€†๏€ง๏€Ÿ๏€‚๏€ˆ๏€ค๏€—๏€˜๏€™๏€š๏€›
๏€†๏€ง๏€Ÿ๏€‚๏€ˆ๏€ค๏€๏€‘๏€’๏€“๏€”
๏€†๏€ง๏€Ÿ๏€‚๏€ˆ๏€ค๏€—๏€˜๏€™๏€š๏€›
๏€†๏€ง๏€Ÿ๏€‚๏€ˆ๏€ค๏€๏€‘๏€’๏€“๏€”
๏€•๏€”๏€–๏€ฆ๏€จ๏€”๏€˜๏€˜๏€ฃ๏€
๏€—๏€˜๏€™๏€š๏€›๏€ฆ๏€จ๏€”๏€˜๏€˜๏€ฃ๏€
๏€†๏€ง๏€Ÿ๏€‚๏€ˆ
๏€—๏€˜๏€™๏€š๏€›
๏€†๏€ง๏€Ÿ๏€‚๏€ˆ
๏€๏€‘๏€’๏€“๏€”
๏€†๏€ง๏€Ÿ๏€‚๏€ˆ
๏€—๏€˜๏€™๏€š๏€›
๏€—๏€˜๏€™๏€š๏€›
๏€—๏€˜๏€™๏€š๏€›
๏€•๏€”๏€–
๏€๏€‘๏€’๏€“๏€”
๏€†๏€ง๏€Ÿ๏€‚๏€ˆ
๏€๏€‘๏€’๏€“๏€”
๏€†๏€ง๏€Ÿ๏€‚๏€ˆ
๏€—๏€˜๏€™๏€š๏€›
๏€†๏€ง๏€Ÿ๏€‚๏€๏€ค๏€•๏€”๏€–
๏€†
๏€ง
๏€Ÿ
๏€‚
๏€
๏€•๏€”๏€–
๏€†๏€ง๏€Ÿ๏€‚๏€ˆ๏€ค๏€œ๏€•๏€”๏€”๏€
๏€†๏€ง๏€Ÿ๏€‚๏€
๏€—๏€˜๏€ฅ๏€”
๏€—๏€Š๏€Š๏€„๏€‘๏€ˆ๏€‡๏€‹๏€„๏€๏€ˆ๏€น๏€‹๏€๏€„๏€†๏€‡๏€‹๏€„๏€—๏€‚๏€ฎ๏€„๏€–๏€ฐ๏€„๏€‹๏€ฒ๏€“๏€‹๏€Œ๏€’๏€„๏€†๏€๏€„๏€ก๏€›๏€’๏€‹๏€๏€„๏€›๏€’๏€”๏€‹๏€‡๏€‘๏€ˆ๏€๏€‹๏€บ
๏€†๏€ง๏€Ÿ๏€‚๏€
๏€•๏€”๏€–
๏€†๏€ง๏€Ÿ๏€‚๏€
๏€—๏€˜๏€ฅ๏€”
๏€†๏€ง๏€Ÿ๏€‚๏€ˆ๏€ค๏€œ๏€•๏€”๏€”๏€
๏€†๏€ง๏€Ÿ๏€‚๏€๏€ค๏€๏€‘๏€’๏€“๏€”
๏€†๏€ง๏€Ÿ๏€‚๏€๏€ค๏€•๏€”๏€–
๏€†๏€ง๏€Ÿ๏€‚๏€ˆ๏€ค๏€œ๏€•๏€”๏€”๏€
๏€†๏€ง๏€Ÿ๏€‚๏€ˆ๏€ค๏€—๏€˜๏€™๏€š๏€›
๏€†๏€ง๏€Ÿ๏€‚๏€ˆ๏€ค๏€๏€‘๏€’๏€“๏€”
๏€ฉ๏€ƒ ๏€ฉ๏€
๏€ฉ๏€‚
๏€ช๏€ƒ ๏€ช๏€ ๏€ช๏€‚
๏€ซ๏€ƒ
๏€ซ๏€
๏€ซ๏€‚
๏€๏€‚๏€ฏ
๏€•๏€‹๏€ ๏€›๏€’๏€‹๏€„๏€ž๏€›๏€ก๏€’๏€‡๏€›๏€Š๏€„
๏€๏€‹๏€Š๏€‹๏€“๏€’๏€›๏€‡๏€„๏€๏€‘๏€ˆ๏€’๏€“๏€”
๏€ป๏€Ÿ๏€ž๏€–๏€„๏€ฎ๏€‡๏€†๏€”๏€†๏€ 
๏€…๏€†๏€‡๏€ˆ๏€†๏€‰๏€Š๏€‹๏€„๏€๏€Œ๏€‹๏€‹๏€๏€„๏€ป๏€‡๏€ˆ๏€ท๏€‹
๏€๏€‹๏€‹๏€„๏€Œ๏€†๏€œ๏€‹๏€„๏€ง๏€„๏€›๏€ฉ๏€„๏€ง
๏€ฉ๏€›๏€‡๏€„๏€˜๏€™๏€ ๏€Œ๏€‹๏€‡๏€ฑ๏€Œ๏€›๏€’
๏€๏€‹๏€’๏€’๏€ˆ๏€ก๏€œ๏€๏€„
๏€ฌ๏€™๏€š๏€›๏€ค๏€Œ๏€™๏€๏€”๏€˜๏€ค๏€Ÿ๏€•๏€ฃ๏€ฅ๏€๏€–
๏€œ๏€•๏€”๏€”๏€
๏€Ÿ๏€จ๏€•๏€ž๏€๏€ฑ๏€ง๏€„๏€ผ ๏€‚๏€ˆ๏€‡๏€‹๏€Š๏€‹๏€๏€๏€„๏€ผ ๏€—๏€ž๏€ฑ๏€ป๏€ž
๏€‘๏€ˆ๏€’๏€”๏€„๏€ง๏€ณ๏€ณ๏€ฝ๏€„๏€ญ๏€ก๏€ˆ๏€ท๏€‹๏€‡๏€๏€†๏€Š๏€„๏€ฎ๏€‡๏€†๏€”๏€†๏€ ๏€„๏€…๏€๏€ป๏€„๏€Ž๏€›๏€†๏€‡๏€๏€พ
๏€‘๏€ˆ๏€’๏€”๏€„๏€๏€‚๏€ธ๏€„๏€‚๏€ˆ๏€‡๏€‹๏€Š๏€‹๏€๏€๏€„๏€•๏€‹๏€ ๏€›๏€’๏€‹๏€พ
๏€‘๏€ˆ๏€’๏€”๏€„๏€›๏€Œ๏€’๏€ˆ๏€›๏€ก๏€†๏€Š๏€„๏€‚๏€ˆ๏€‡๏€‹๏€๏€„๏€•๏€‹๏€ ๏€›๏€’๏€‹๏€„๏€Ž๏€›๏€ฒ๏€พ
๏€ง๏€’๏€•๏€’๏€๏€œ๏€ค๏€ซ๏€’๏€™๏€œ๏€•๏€™๏€ญ๏€ค๏€ฎ๏€Œ๏€œ๏€ค๏€‚๏€ค๏€ฃ๏€ฏ๏€ค๏€๏€ฐ
๏€๏€ˆ๏€ค๏€ฑ๏€ซ๏€ช
๏€ช๏€ ๏€
๏€‹๏€ฑ ๏€Ž๏€ฑ
๏€‚ ๏€ ๏€ƒ
๏€‚
๏€
๏€ช๏€ ๏€‚
๏€ฟ๏€Ÿ๏€–
๏€ž๏€›๏€ก๏€’๏€‡๏€›๏€Š
๏€๏€‡๏€†๏€ก๏€๏€ฉ๏€›๏€‡๏€ ๏€‹๏€‡
๏€  ๏€„๏€Ÿ๏€ ๏€ซ
๏€‚๏€‚๏€‡๏€ค๏€ฑ๏€†๏€ช
๏€๏€‘๏€’๏€“๏€”
๏€—๏€˜๏€™๏€š๏€›
๏€œ๏€•๏€”๏€จ
๏€•๏€”๏€–
๏€œ๏€•๏€”๏€”๏€
๏€ป๏€ž๏€š๏€
๏€ป๏€ž๏€„๏€š๏€›๏€‘๏€‹๏€‡๏€„๏€๏€™๏€Œ๏€Œ๏€Š๏€
๏€‚๏€๏€ฒ๏€ค๏€ฑ๏€†๏€ช
๏€๏€ˆ๏€ค๏€ฑ๏€†๏€ช
๏€ฃ๏€•๏€™๏€๏€œ๏€”
๏€—๏€˜๏€™๏€š๏€›
๏€ฃ๏€•๏€™๏€๏€œ๏€”
๏€ฃ๏€•๏€™๏€๏€œ๏€”
๏€๏€‘๏€’๏€“๏€”
๏€—๏€˜๏€™๏€š๏€›
๏€—๏€˜๏€™๏€š๏€›
๏€œ๏€•๏€”๏€”๏€
๏€‚๏€ฎ๏€ก๏€ฐ
๏€๏€ฎ๏€ ๏€ฐ
๏€ƒ๏€ฎ๏€Ÿ๏€ฐ
๏€ฃ๏€•๏€™๏€๏€œ๏€”
๏€œ๏€•๏€”๏€”๏€
๏€‚๏€ฎ๏€ก๏€ฐ
๏€๏€ฎ๏€ ๏€ฐ
๏€ƒ๏€ฎ๏€Ÿ๏€ฐ
๏€†๏€ง๏€Ÿ๏€‚๏€
๏€•๏€”๏€–
๏€†๏€ง๏€Ÿ๏€‚๏€
๏€—๏€˜๏€ฅ๏€”
๏€ฉ๏€ƒ ๏€ฉ๏€
๏€ฉ๏€‚
๏€ช๏€ƒ ๏€ช๏€ ๏€ช๏€‚
๏€ซ๏€ƒ
๏€ซ๏€
๏€ซ๏€‚
๏€๏€‘๏€’๏€“๏€”
๏€๏€‘๏€’๏€“๏€”
๏€•๏€”๏€–
๏€—๏€˜๏€™๏€š๏€›
๏€•๏€”๏€–
๏€จ๏€Œ๏€’๏€ˆ๏€›๏€ก๏€†๏€Š๏€„๏€ž๏€›๏€ ๏€Œ๏€›๏€๏€ˆ๏€’๏€‹
๏€‚๏€ˆ๏€‡๏€‹๏€๏€„๏€•๏€‹๏€ ๏€›๏€’๏€‹๏€„๏€ž๏€›๏€ก๏€’๏€‡๏€›๏€Š๏€„๏€Ž๏€›๏€ฒ
๏€ณ๏€ด๏€ข๏€ข๏€ต
๏€ณ๏€ฌ๏€„๏€ด๏€ง๏€ถ๏€๏€ต
๏€ณ๏€†๏€Ÿ๏€ท๏€…๏€†๏€…๏€ด๏€๏€ต
๏€ณ๏€ด๏€ ๏€ต
๏€ณ๏€ด๏€ข๏€ข๏€ต
๏€ณ๏€ด๏€ ๏€ต
๏€Ÿ๏€•๏€ฃ๏€ฅ๏€๏€–
๏€ฌ๏€™๏€•๏€ค
๏€๏€‘๏€’๏€“๏€”
๏€œ๏€•๏€”๏€”๏€
๏€—๏€˜๏€™๏€š๏€›
๏€•๏€”๏€–
๏€๏€‘๏€’๏€“๏€”
๏€—๏€˜๏€™๏€š๏€›
๏€•๏€”๏€–
๏€œ๏€•๏€”๏€”๏€

Other manuals for Intec FORCE/2