EasyManua.ls Logo

Intec FORCE/2 - Receiving Replacement Parts

Intec FORCE/2
60 pages
Print Icon
To Next Page IconTo Next Page
To Next Page IconTo Next Page
To Previous Page IconTo Previous Page
To Previous Page IconTo Previous Page
Loading...
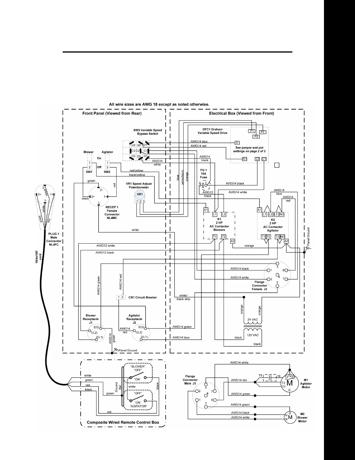
FORCE/2
Electrical Drawings (Cont’d)
ELECTRICAL DRAWINGS
Electrical Wiring Diagram
with Variable speed control
and Remote disconnect
Mfg. from 1/2011 - Present

Other manuals for Intec FORCE/2