EasyManua.ls Logo

Integra RDV-1.1 - Page 10

Integra RDV-1.1
139 pages
Print Icon
To Next Page IconTo Next Page
To Next Page IconTo Next Page
To Previous Page IconTo Previous Page
To Previous Page IconTo Previous Page
Loading...
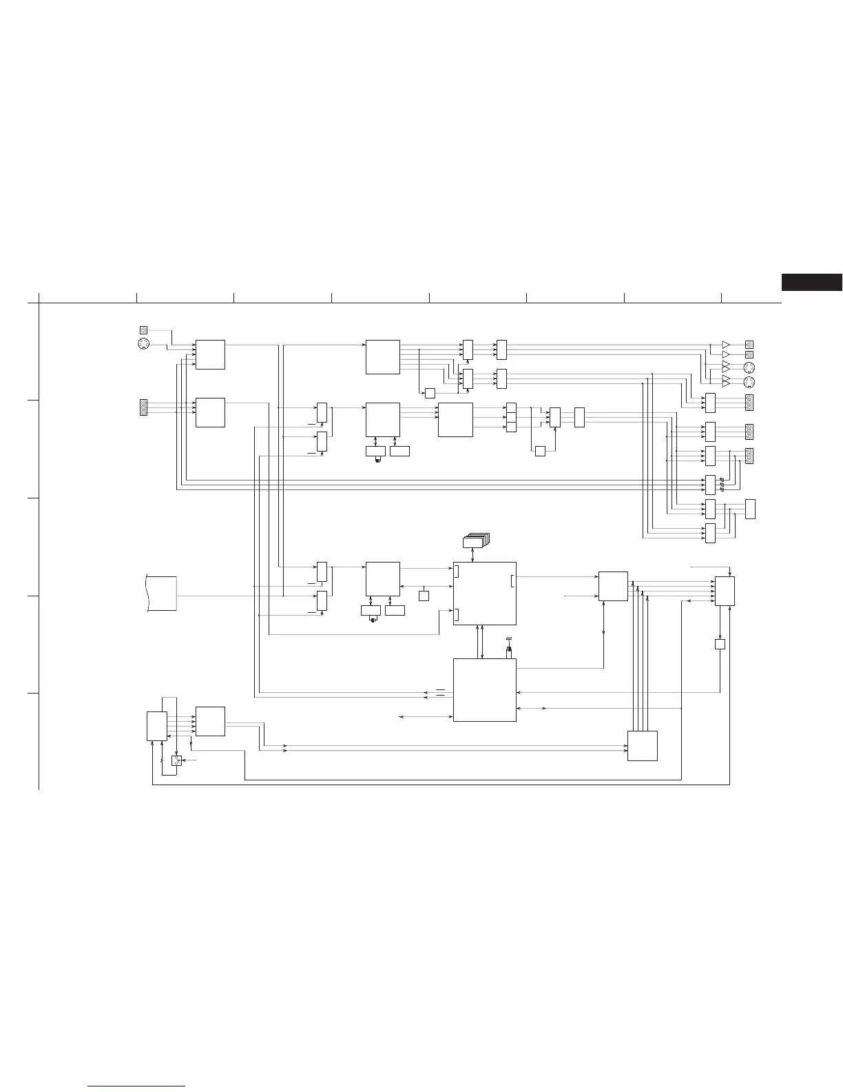
DV-SP1000
BLOCK DIAGRAM-3
VIDEO SECTION-2
A
1
2
3
4
5
BCDEFGH
5MHZ
20MHZ
20MHZ
COMPONENT_HD1
BNC
COMPONENT-IN
COMPONENT_HD2
BNC
COMPONENT_SD
S1/S2
S1/S2
R
HDMI-OUT
HDMI-IN
SDRAM 512KX16X2 X5PCS
AV 1CHIP DEC
DVD MPEG
S-IN VIDEO-IN
VIDEO
VIDEO
CLOCK GEN.
CLAMP PULSE GEN
15MHZ LPF X3
CLUMP PULSE GEN.
ADC
VIDEO
VIDEO
DECODER
HDMI TRANCEMITTER
FOR THROUGH
HDMI
HDMI RECEIVER
HDMI TRANSMITTER
FOR DVD
HDMI
VIDEO MICROPROCESSOR
REMBRANT-1A
VIDEO SCALER
COMPONENT
D1/D2
SDRAM 2MX32
SDRAM 2MX32
VIDEO-AMP
MAX4218
VIDEO-AMP
VIDEO-AMP
VIDEO-AMP
VIDEO-AMP
VIDEO-AMP
FILTER+AMP
FILER+AMP
CLAMP CIR.CLAMP CIR.
CLAMP CIR.
VIDEO-AMP
MC504
MC504
BUS-BUFFER
BUS-BUFFER
BUS-BUFFER
BUS-BUFFER
SII504
I/P CONVERTER
SII504
I/P CONVERTER
ADV7314
VIDEO ENCORDER
ADV7314
VIDEO ENCODER
EXT_CV
EXT_S ITU-RBT656 ITU-RBT656 CV CV CV
SY SY
SC SC CV
Y
CB SY
CR SC
Y
CB SY
CR SC
Y
EXT_Y YCBCR4:4:4 CB
EXT_PB ITU-RBT656 ITU-RBT656 Y.10 PY CR
EXT_PR PB.10 PY
PR.10 PB PB
PR
EXTOE PR PY
PB
ITU-RBT656 PR
PY
DVDOE PB
PR
EXT_Y
EXT_PB
EXT_PR
PY
PB
PR
Y
CB
CR
ITU-RBT656 ITU-RBT656 +5VSUPPLY
YCBCR4:2:2
YCBCR4:4:4
TX0
EXTOE 27MHZ TX1
TX2
ITU-RBT656 ITU-RBT656 SPDIF TXC
DDC
DVDOE
TX0
TX1
TX2
TXC
I2C
HOTPLUG
CEC
YCBCR4:4:4
ADRESS
DATA
DVDOE HOTPLUGDETECT
EXTOE
+5VSUPPLY
DDC
RX0 INTERFACE_TO_SYSTEM
RX1
DATA24BIT
RX2 CTRL1.2.3
RXC
DDC
DATA24BIT
HOTPLUG
CTRL1.2.3
CEC
DDC
CEC
Ext-Video(HD) Stream
Ext-Video(HD) Stream
DVD Video Stream
DVD Video Stream
Ext-Video(SD) Stream
Ext-Video(SD) Stream
Ext-Video(SD) Stream
DVD Video Stream
Display port
graphics port
Video port

Related product manuals