EasyManua.ls Logo

Integra RDV-1.1 - Page 27

Integra RDV-1.1
139 pages
Print Icon
To Next Page IconTo Next Page
To Next Page IconTo Next Page
To Previous Page IconTo Previous Page
To Previous Page IconTo Previous Page
Loading...
Q6501
ADV7314
NAVD-8258
NAPS-8274
To NAETC-8261
To NAPS-8269
Video Encoder
RDV-1.1
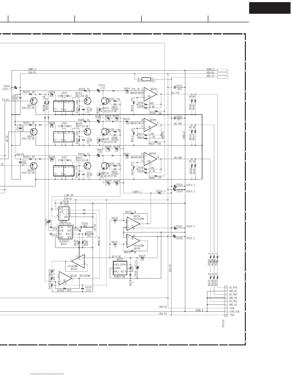
SCHEMATIC DIAGRAM 10/18
VIDEO OUTPUT SECTION (3/3)
A
1
2
3
4
5
BCDEFGH

Related product manuals