EasyManua.ls Logo

Intek M-120 PLUS - Page 27

Intek M-120 PLUS
28 pages
Print Icon
To Next Page IconTo Next Page
To Next Page IconTo Next Page
To Previous Page IconTo Previous Page
To Previous Page IconTo Previous Page
Loading...
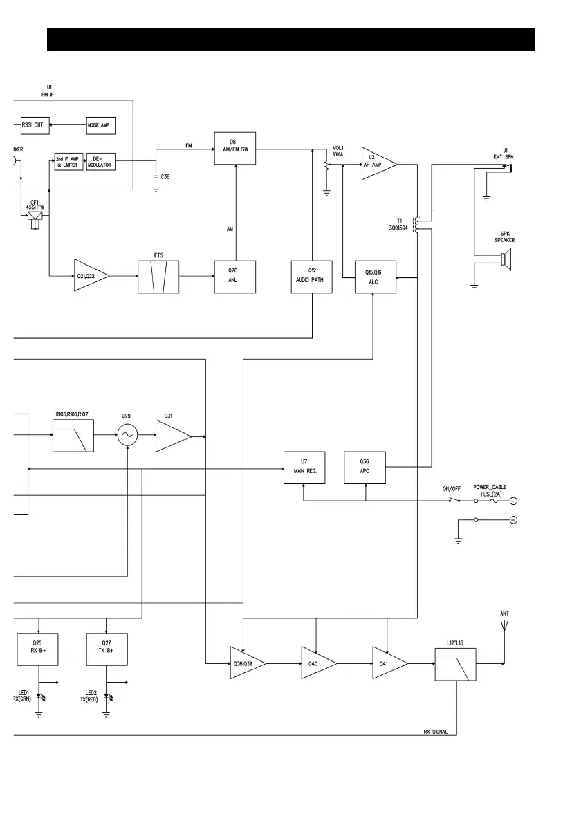
Block Diagram
- VII -