EasyManua.ls Logo

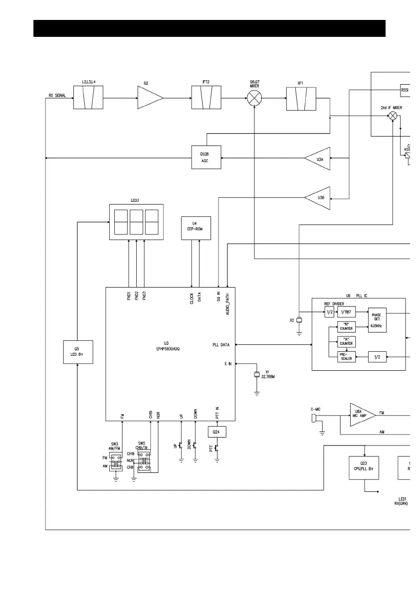
Intek M-120 PLUS - Block Diagram

Intek M-120 PLUS
28 pages
Print Icon
To Next Page IconTo Next Page
To Next Page IconTo Next Page
To Previous Page IconTo Previous Page
To Previous Page IconTo Previous Page
Loading...
Block Diagram
- VI -