EasyManua.ls Logo

Intek MT-2020 - Page 43

Intek MT-2020
49 pages
Print Icon
To Next Page IconTo Next Page
To Next Page IconTo Next Page
To Previous Page IconTo Previous Page
To Previous Page IconTo Previous Page
Loading...
Model No: Drawing No:
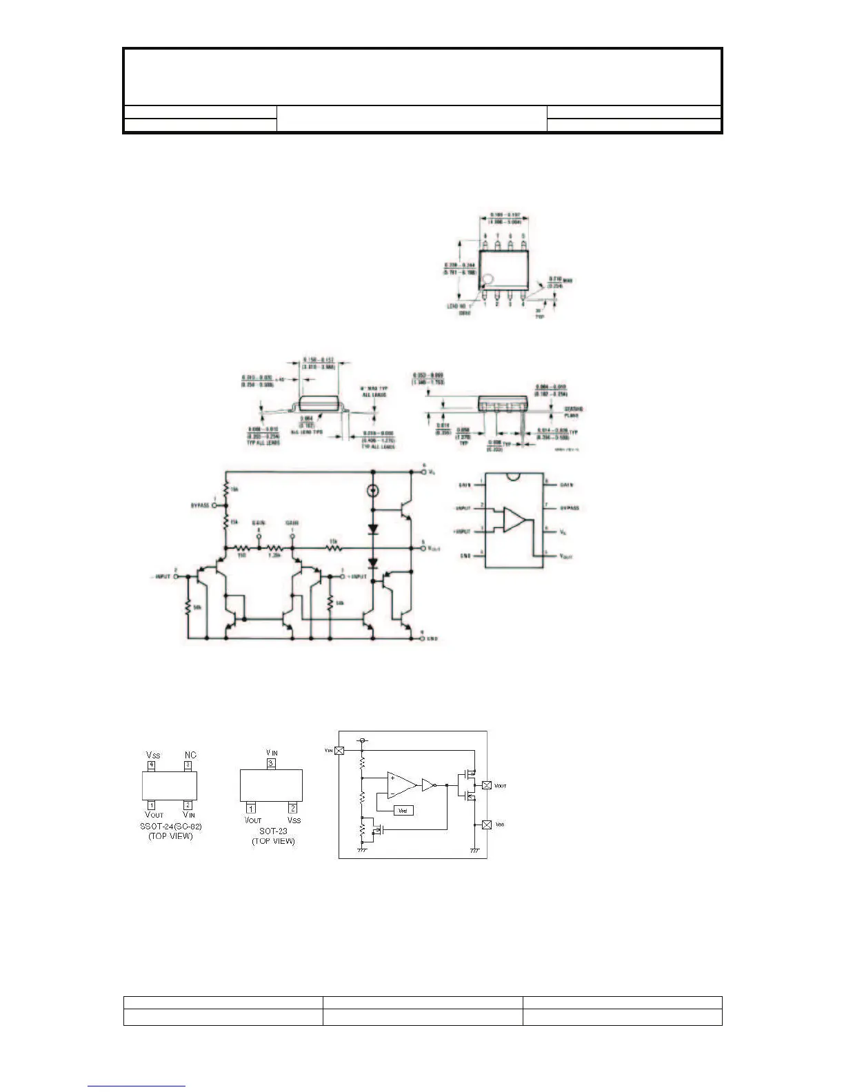
B. IC
1. AZ386 LOW VOLTAGE AUDIO AMPLIFIER
2 . XC61N2402MR STANDARD VOLTAGE DETECTOR
Created by: Approved by: Rev. No:
For Stage : Release Date : Page 43 of 49

Related product manuals