EasyManua.ls Logo

Intek MT-2020 - Page 45

Intek MT-2020
49 pages
Print Icon
To Next Page IconTo Next Page
To Next Page IconTo Next Page
To Previous Page IconTo Previous Page
To Previous Page IconTo Previous Page
Loading...
Model No: Drawing No:
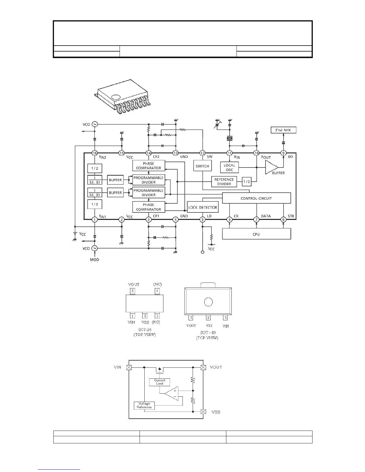
4. TB32102
5. XC201
Created by: Approved by: Rev. No:
For Stage : Release Date : Page 45 of 49

Related product manuals