EasyManua.ls Logo

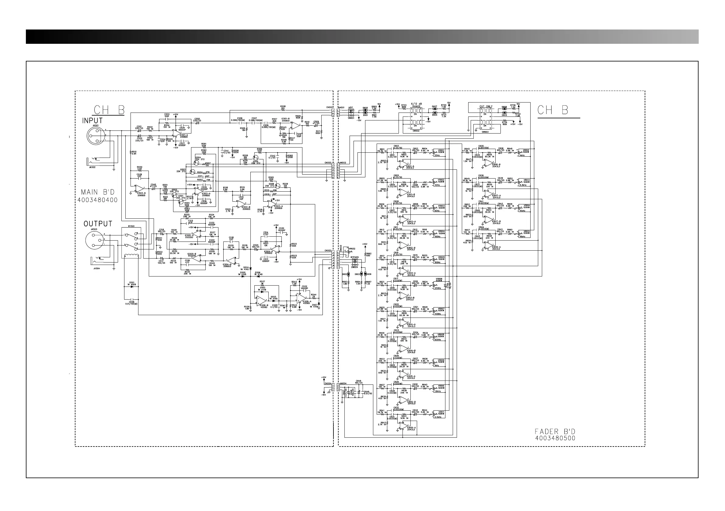
Inter-m EQ-2131 - Connections; Balanced XLR Input Connectors; Balanced 1;4 TRS Input Connectors; Balanced XLR Output Connectors

Inter-m EQ-2131
22 pages
Print Icon
To Next Page IconTo Next Page
To Next Page IconTo Next Page
To Previous Page IconTo Previous Page
To Previous Page IconTo Previous Page
Loading...
2625
– EQ-2215

Other manuals for Inter-m EQ-2131

Related product manuals