EasyManua.ls Logo

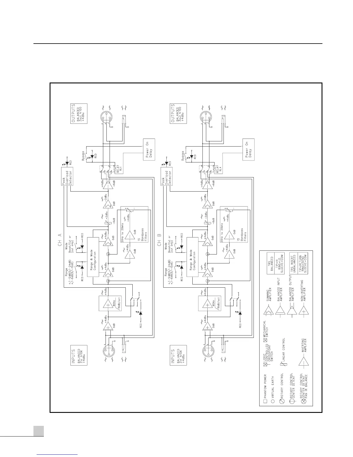
Inter-m EQ-2131 - EQ-2215 Block Diagram

Inter-m EQ-2131
25 pages
Print Icon
To Next Page IconTo Next Page
To Next Page IconTo Next Page
To Previous Page IconTo Previous Page
To Previous Page IconTo Previous Page
Loading...
20
EQ-2131/2231/2215
GRAPHIC EQUALIZER
EQ-2215
215.9*279.4_EQ-2131/2231/2215_E 2004.10.18 2:47 PM 페이지23

Other manuals for Inter-m EQ-2131

Related product manuals