EasyManua.ls Logo

Inter-m MX-1824 - Page 32

Inter-m MX-1824
44 pages
Print Icon
To Next Page IconTo Next Page
To Next Page IconTo Next Page
To Previous Page IconTo Previous Page
To Previous Page IconTo Previous Page
Loading...
3231
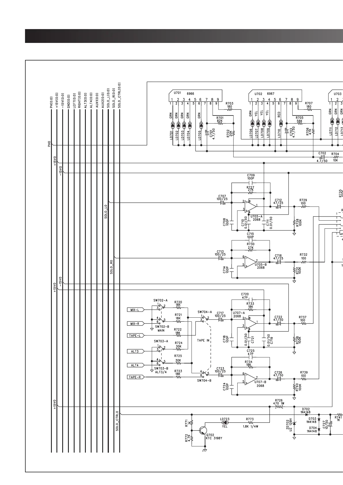
MX-1424/1824 S/M 2003.2.27 6:20 PM 페이지35
All manuals and user guides at all-guides.com

Related product manuals