EasyManua.ls Logo

Interklima PCE 03 - Page 35

Interklima PCE 03
36 pages
Print Icon
To Next Page IconTo Next Page
To Next Page IconTo Next Page
To Previous Page IconTo Previous Page
To Previous Page IconTo Previous Page
Loading...
Interklima Terminal Units
PCE -VS ñ Hydronic cassette
35
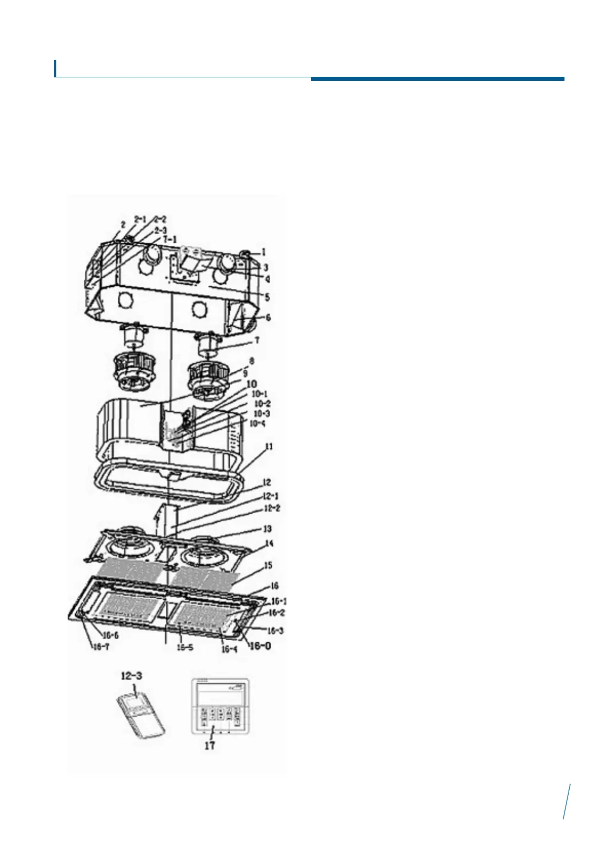
Exploded view drawing
PCE-09/10/12/16-VS
1 Mounting brackets
2 Outside wiring box
2-1 Terminal block
2-2 Invert Board
2-3 Wire clip
3 Branch duct
4 External drain pan
5 Casing
6 Fresh air outlet
7 Fan Motor ( for PCE-09 )
7 Fan Motor ( for PCE-10-12 )
7 Fan Motor ( for PCE-16 )
7-1 Fan Motor Capacitor ( for PCE-09 )
7-1 Fan Motor Capacitor ( for PCE-10-12-16 )
8 Fan blower
9 Coil
10 Drain Pump assembly
10-1 Pump fixture
10-2 Drain Pump
10-3 Drainage tube
10-4 Float switch
11 Drain pan
12 Inside control box
12-1 Transformer
12-2 Main PCB
12-3 Remote handset
13 Venturi
14 Drain pan fixture
15 Air filter
16 Cover Panel assembly
16-1 Grille
16-2 Receiver label sticker
16-3 Swing Louver
16-4 Bolt (Right)
16-5 Bolt (Left)
16-6 Stepping motor
16-7 Fan bearing
17 Wired wall pad