EasyManua.ls Logo

Interklima PCE 03 - Page 34

Interklima PCE 03
36 pages
Print Icon
To Next Page IconTo Next Page
To Next Page IconTo Next Page
To Previous Page IconTo Previous Page
To Previous Page IconTo Previous Page
Loading...
Interklima Terminal Units
PCE -VS ñ Hydronic cassette
34
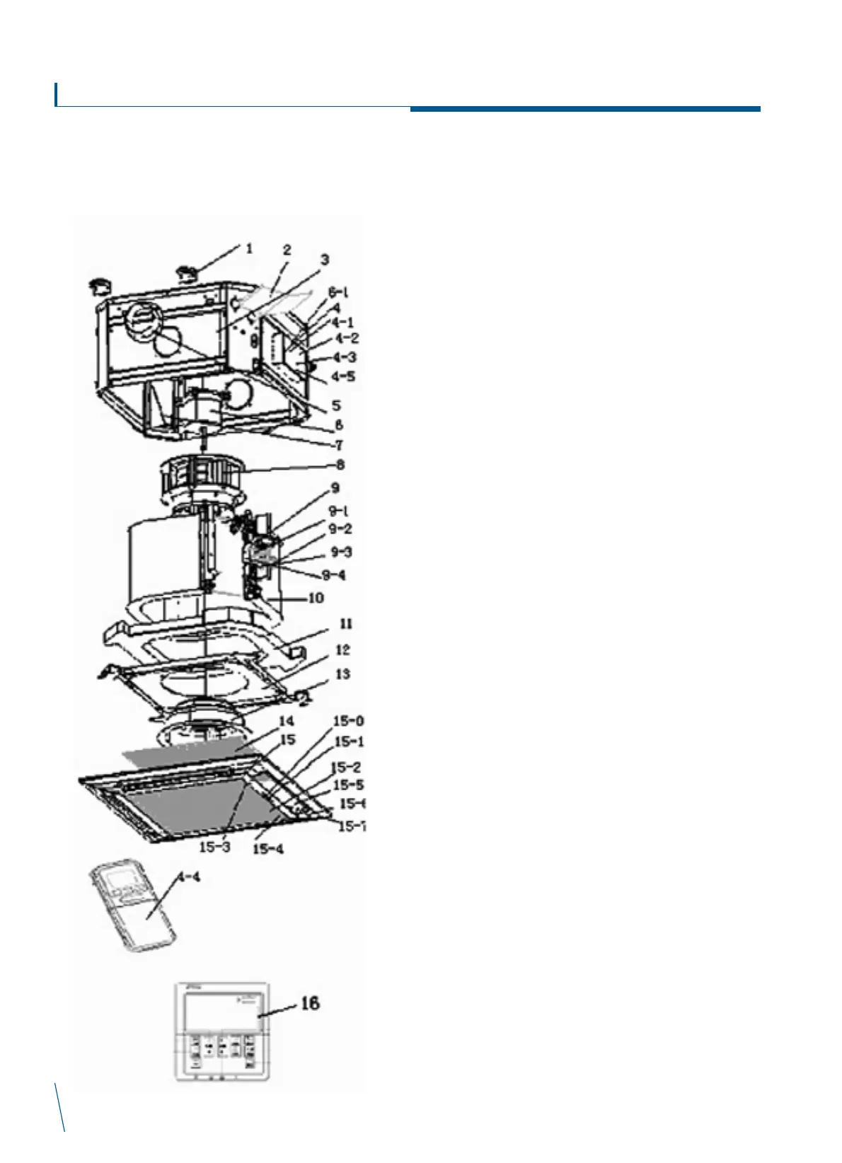
Exploded view drawing
PCE-03/04/06/08-VS
1- Mounting brackets
2- External drain pan
3- Casing
4- Control box
4-1- Main PCB
4-2- Transformer
4-3- Terminal block
4-4- Remote handset
4-5- Wire clip
5- Branch duct
6- Fan motor (for PCE-03-04)
6- Fan motor (for PCE-06)
6- Fan motor (for PCE-08)
6-1- Motor capacitor (for PCE-03-04)
6-1- Motor capacitor (for PCE-06-08)
7- Fresh air outlet
8- Fan blower
9- Drain pump assembly
9-1- Drain pump fixture
9-2- Drain pump
9-3- Drainage tube
9-4- Float switch
10- Coil (PCE-03-04)
10- Coil (PCE-06-08)
11- Drain pan
12- Drain pan fixture
13- Venturi
14- Air filter
15- Cover panel assembly
15-0- Receiver display
15-1- Receiver label sticker
15-2- Grille
15-3- Bolt (Left)
15-4- Bolt (Right)
15-5- Swing Louver
15-6- Stepping motor
15-7- Fan bearing
16- Wired wall pad