EasyManua.ls Logo

IOtech DaqBook/2000 Series - Daqbook;2020

IOtech DaqBook/2000 Series
90 pages
Print Icon
To Next Page IconTo Next Page
To Next Page IconTo Next Page
To Previous Page IconTo Previous Page
To Previous Page IconTo Previous Page
Loading...
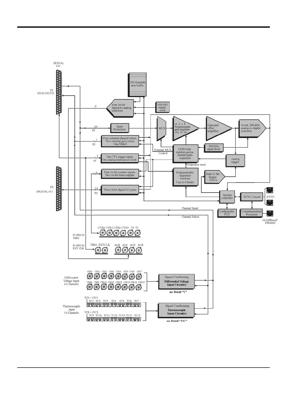
3-2 Block Diagrams 966895 DaqBook/2000 Series and DaqOEM/2000 Series
DaqBook/2020 Block Diagram
DaqBook/2020 Block Diagram

Table of Contents