EasyManua.ls Logo

IPC Gansow 1010 E - Page 100

IPC Gansow 1010 E
Print Icon
To Next Page IconTo Next Page
To Next Page IconTo Next Page
To Previous Page IconTo Previous Page
To Previous Page IconTo Previous Page
Loading...
Pág. 13
PORTUGUÊS(Tradução das instruções originais)
8.28.2
8.28.2
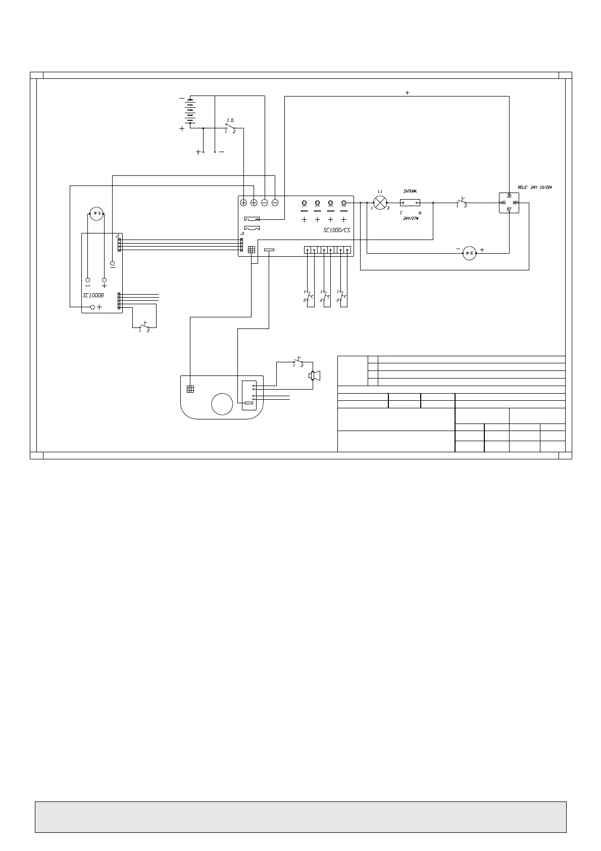
8.2 ESQUEMA ELÉCTRICO 8.2 WIRING DIAGRAM
COMPONENTES:
Bat. Baterias
M1 Motor da escova lateral DIR
M2 Motor da escova central
M3 Motor da ventoinha de aspiração
M4 Motovibrador do dispositivo de sacudir o filtro
M5 Motodiferencial
M6 Motor da escova lateral ESQ
I.G. Chave de desligar bateria
C. Bat. Tomada para carregamento da bateria
Int.1 Micro escova lateral
Int.2 Micro para acelerador
Int.3 Micro escova central
F1 Fusível de 1,25 A/250 V
F2 Fusível de barra de 50 A
Pot.1 Potenciómetro de regulação velocidade
Tr1 Compensador regulação travagem
Com.1 Comutador de função
Com.2 Comutador de direcção
P1 Botão sinalizador acústico
C Sinalizador acústico
CH Comutador de chave
SC1 Placa visualização carga baterias
SC2 Placa completa com contador de horas
BATERIAS
CARREGADOR DE BATERIA
MOTODIFERENCIAL
POTENCIÓMETRO
MICRO-ACELERADOR
VERMELHO
BRANCO
M 4 = DISPOSITIVO DE SACUDIR O FILTRO
M 3 = ASPIRAÇÃO
M 2 = ESCOVA CENTRAL
M 1 = ESCOVA LATERAL DIREITA
MICRO ESCOVA LAT. ESQ.
AZUL
MOTOR ESCOVA LAT. ESQ.
VERMELHO
MICRO ASSENTO
MICRO ESCOVA CENTRAL
MICRO ESCOVA LAT. DIR.
INTERR. BUZINA
BUZINA
COMUTADOR DE CHAVE
Alterações
D
C
B
A
TEKNOVA srl Veggia di Casalgrande - REGGIO EMILIA - Tel. 0536/824018
N.º DESENHO POSIC. PEÇAS MATERIAL
9 030 751
DESIGNAÇÃO
ESQUEMA ELÉCTRICO TK 1000 ELÉCT.
(Versão com interruptor assento)
PESO DA PEÇA TRAT. TÉRMICOS E REVEST.
GRUPO
TK 1000 ELÉCTRICA
ESCALA DATA DESENHADO VERIF.
31/01/96
BRANCO
AZUL
VERMELHO

Related product manuals