EasyManua.ls Logo

iPower SUA12000E - Page 20

iPower SUA12000E
30 pages
Print Icon
To Next Page IconTo Next Page
To Next Page IconTo Next Page
To Previous Page IconTo Previous Page
To Previous Page IconTo Previous Page
Loading...
0.0
hours
1/10
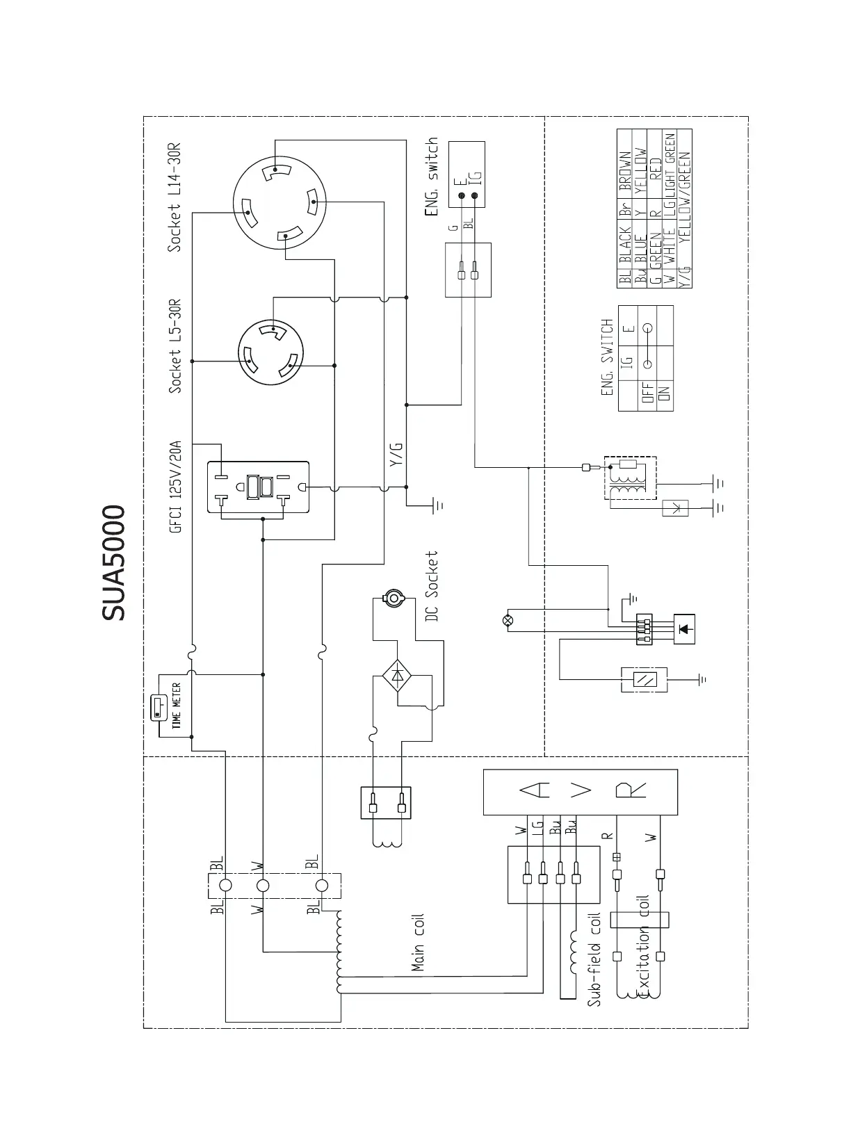
Blue
DC Coil
9A
Rectifier
Blue
12V
protector18A
protector18A
Alternator block
Engine block
Oil sensor
Spark
plug
Ignition
coil
Oil alarm
Oil Alarm Lamp
18

Other manuals for iPower SUA12000E

Related product manuals