EasyManua.ls Logo

iPower SUA12000EC - Page 21

Default Icon
30 pages
Print Icon
To Next Page IconTo Next Page
To Next Page IconTo Next Page
To Previous Page IconTo Previous Page
To Previous Page IconTo Previous Page
Loading...
19
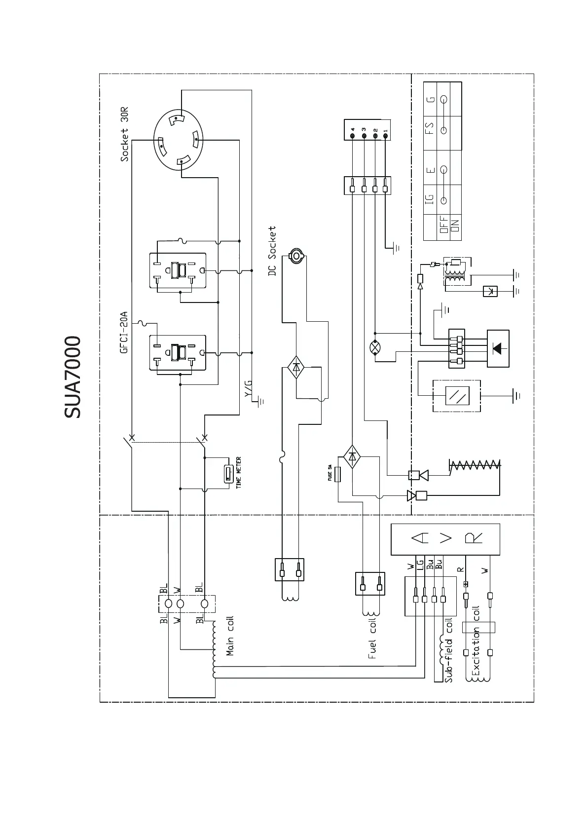
Alternator block
Fuel out solenoid
Rectifier
Br
Control panel block
Engine block
Br
Oil sensor
Spark
plug
Ignition
coil




Circuit breaker 25A
0.0
hours
1/10
Oil Alram Lamp
Oil alram
Blue
DC Coil

protector9A
Rectifier
Black-AWG12
White-AWG12
Black-AWG12
Yellow/Green-AWG12
Blue
12V
protector20A
protector20A

Related product manuals