EasyManua.ls Logo

iPower SUA12000EC - Page 23

Default Icon
30 pages
Print Icon
To Next Page IconTo Next Page
To Next Page IconTo Next Page
To Previous Page IconTo Previous Page
To Previous Page IconTo Previous Page
Loading...
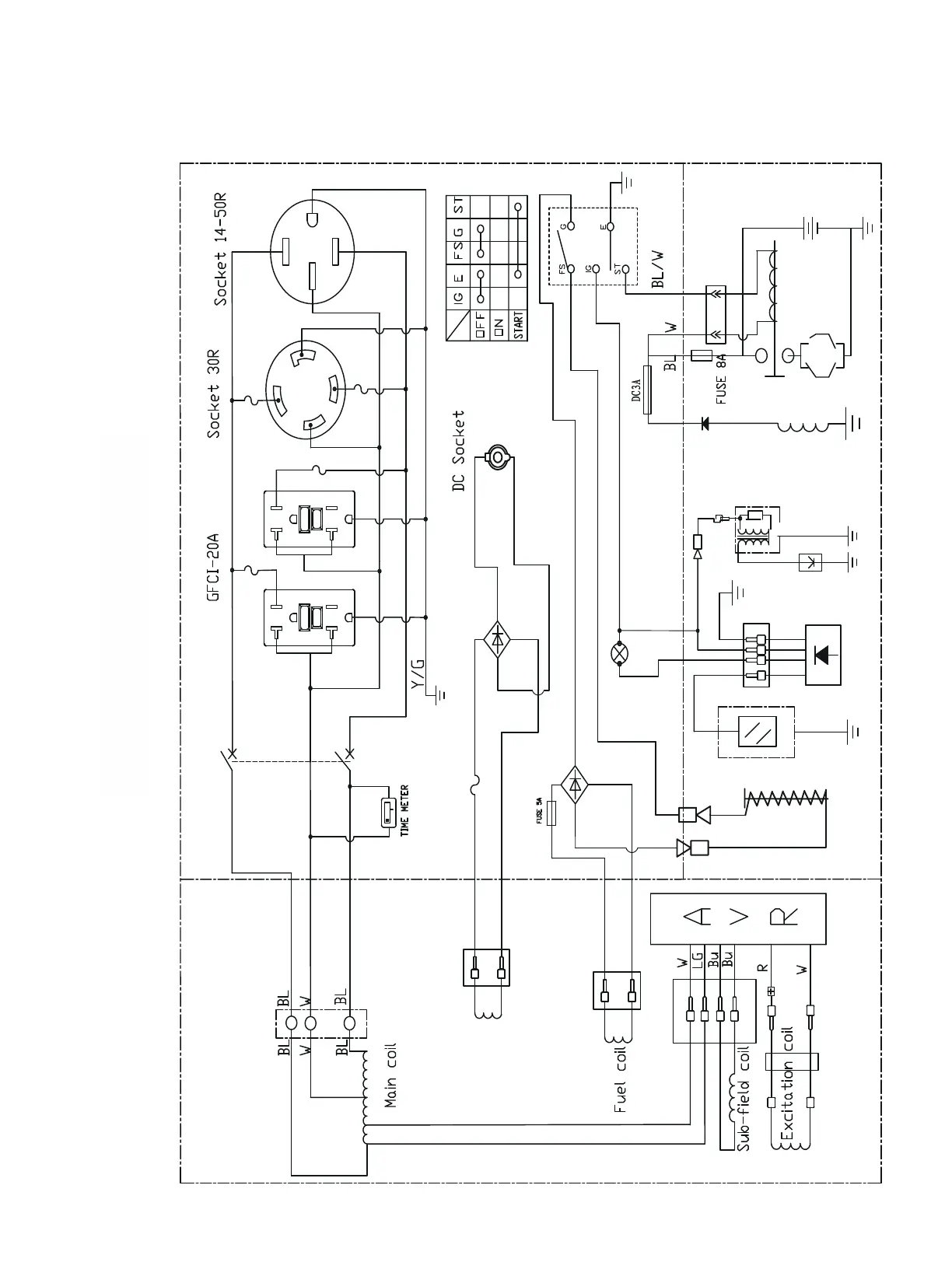
Alternator block
Fuel out solenoid
Rectifier
Br
Control panel block
Engine block
Br
Start motor
Battery
Oil sensor
Spark
plug
Ignition
coil
Circuit breaker 38A
0.0
h
o
urs 1
/
1
0
Oil Alram Lamp
Oil alram
protector30A
Blue
DC Coil

protector9A
Rectifier
Blue
1
2
V
protector20A
DJ7021A-2.8-11
protector20A
protector30A

SUA10000EC

Related product manuals