EasyManua.ls Logo

iPower SUA12000EP - Diagrama de Circuitos

iPower SUA12000EP
112 pages
Print Icon
To Next Page IconTo Next Page
To Next Page IconTo Next Page
To Previous Page IconTo Previous Page
To Previous Page IconTo Previous Page
Loading...
Página 31
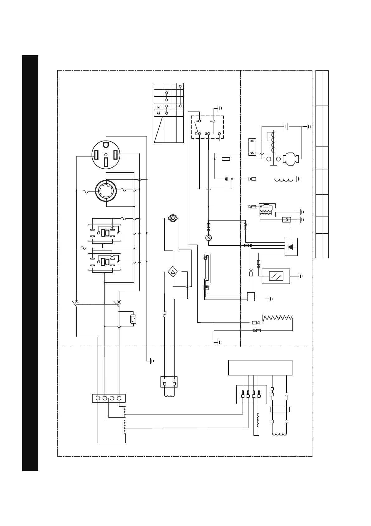
Diagrama de Circuitos
Diagrama de Circuitos
Modelo: SUA12000EP
$
0.0
hours
1/10
$
$
$
$
/5
+
R
V
A
$
<*
12V
FS G ST
ST
%
<
5
6ROHQRLGHGHFRUWH
GHFRPEXVWLEOH
/
9'&$
/
,QGLFDWHXUGH
EDVQLYHDX
GKXLOH/('
/('URMRR
DPDULOORGHO
LQGLFDGRUGHFR
PANEL DE CONTROL
MOTOR
ALTERNATOR
%RELQDGH
H[FLWDFLqQ
5RWRU
%RELQDGHO
HVWDWRU
5
%
:
%
%
7RPD'&5HFWLILFDGRU
5
%
5
2
2
%
5
<
:
:
<
<
%
*
%U
%U
:
:
:
%:
%
%
2
2
$
5
$
$
5*)&,
$
5*)&,
FRQWDGRUGHKRUDV
:
*
/
/
5
:
%
%
%
%
%
%
%
%
%
%
:
:
:
:
::
:
:
<*
<*
<*
<*
<*
<*
%
%
%U
%RELQDGH9'&
Sistema de puesta a tierra(AC):Neutro Unido al Bastidor Sistema de puesta a tierra(AC):Flotación del Sistema
,QWHUUXSWHXU
GDUUmWGH
EDVQLYHDX
GKXLOH
&2
0qGXOR
VHQVRU
%XMoD
%RELQDGH
HQFHQGLGR
%RELQDGHFDUJD
GHEDWHUoD
%DWHUoD
)XVLEOH$
,QWHUUXSWRUGHODXQLGDG
0RWRUGH
DUUDQTXH
0qGXORGHDSDJDGR
SRUEDMRQLYHOGH
DFHLWH
,QWHUUXSWRUGHODXQLGDG
(1&(1','2
$3$*$'2
$55$1&$5
B:NEGRO
Br:MARRÓN
G:VERDE
Gy:GRIS
L:AZUL
O:NARANJA
R:ROSA
W:MBLANCO
Y:AMARILLO
P:ROSA
B/W:NEGRO/BLANCO
Y/G:AMARILLO/VERDE
R/W:ROJO/BLANCO

Table of Contents

Related product manuals