EasyManua.ls Logo

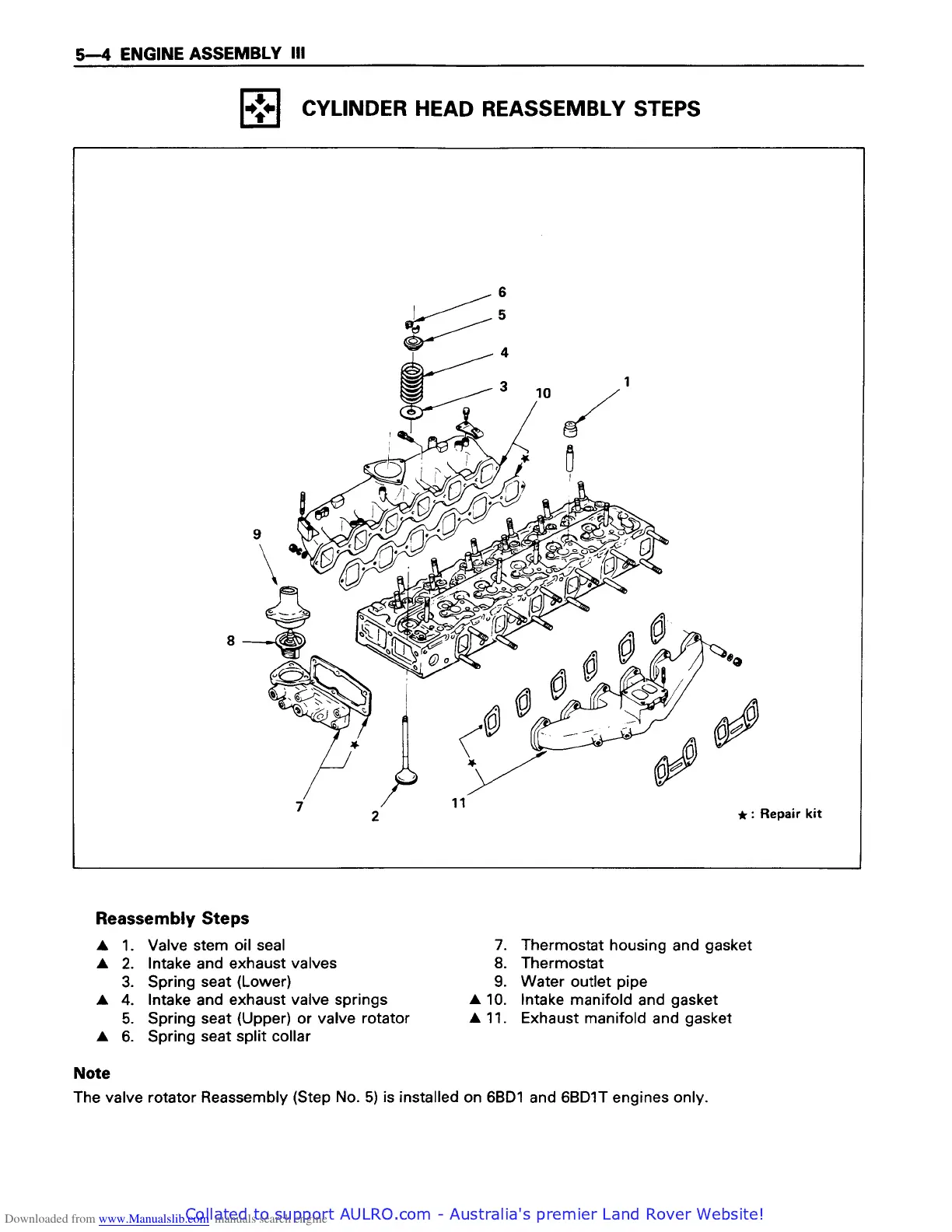
Isuzu 6BD1T - Cylinder Head Reassembly

Isuzu 6BD1T
216 pages
Print Icon
To Next Page IconTo Next Page
To Next Page IconTo Next Page
To Previous Page IconTo Previous Page
To Previous Page IconTo Previous Page
Loading...
Collated to support AULRO.com - Australia's premier Land Rover Website!

Table of Contents

Related product manuals